Application No.346

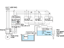
Water Supply Tank Control

Basic water supply control is possible with the 61F Switch (without float) alone. However, bit logic is required for inverter control of high-speed operation (when the tank is empty) and slow-speed operation (when the tank is half-full).

Application No.347

Greenhouse Air Circulator Control(1)

The ZEN can be used to operate circulation fans only at night (e.g.,19:00 to 6:00) during winter (e.g., November 15 to March 30). During operating times, the fans operate intermittently, 60 minutes ON and 30 minutes OFF. The fans start up 30-s apart to keep the startup current down.

Application No.348

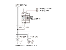
Greenhouse Air Circulator Control(2)

The ZEN can be used to circulate carbon dioxide or warm air in greenhouses. Two circulation fans can be operated at regular intervals.

Application No.349

Greenhouse Air Circulator Control(3)

The ZEN can be used to start the circulation fans once the temperature inside the greenhouse exceeds a set level. The fans start up at different times to keep the startup current down.

Application No.350

Sprinkler System Control

You can change watering times as shown below in the examples to match the hours of sunlight.

Water at 4:00 from May to July
Water at 5:00 from August to October
Water at 6:00 from November to January
Water at 5:00 from February to April

Application No.351

Coin-operated Car Wash

The ZEN can be used to change the operating time depending on the number of coins inserted. If there are unexpected power interruptions, the remaining time will not be reset.

Application No.352

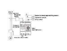
Escalator with Automatic Operation Function

An escalator can operate continuously between specified days and times. You can set it to conserve energy by operating outside those times only when a person approaches the escalator.

Application No.353

Lighting Pattern Control

You can set the required lighting patterns and change between patterns with the flick of a switch to save energy by improving lighting efficiency.

Application No.354

LED Thermal Caulking Machine

When the switch is turned ON, the heater on the tip of the air cylinder drops and melts the caulk just before applying it to adhere the LED. The heater is slowly pulled up and away with cool air circulating around it to ensure a clean separation from the newly mounted LED.

Application No.355

Preventing Assembly Omissions and Other Mistakes

This application prevents careless human errors including the assembly omission to forget to mount a part in the cell-based production.

Application No.356

Conveyor Positioning Control

The inverter positions products of a specified distance.

Application No.357

Annunciator

The ZEN can be used to make an alarm light flash when errors occur.

Application No.358

Warming Molding Machines

The ZEN can be used to improve molding efficiency by warming up the molding machine before the work shift starts.

Application No.359

Testing Equipment

The system turns devices ON and OFF in tests, such as in durability tests. Pressing the run switch turns the device ON and OFF repeatedly for the preset amount of time. It stops automatically at the preset count.

Application No.369

ON/OFF Control of Street Lights

ZEN V2 Programmable Relay serves as an economical time switch, which turns ON the street lights along roads or in parks only at night.

Application No.370

Opens/Closes Swimming Pool Cover Automatically

Automatically opens and closes the swimming pool cover to prevent children from entering and leaves from falling into the pool, while also helping to keep the pool temperature constant.

Application No.371

Water Treatment Device

ZEN is used as the controller for water treatment device.

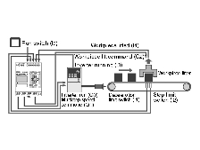
Application No.372

Production Line Conveyor Shift Unit

Zen is used as a conveyor shift unit. A sensor detects when a product has arrived, and inputs this to ZEN. ZEN then sends signals to stoppers and the Convyer Shifting Unit to shift the product to another conveyor.