Y92A-48N (48 × 48 mm)
Y92A-49N (48 × 96 mm)
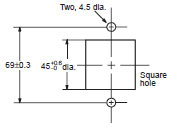
Y92A-48N_Dim1
Y92A-49N_Dim2
Y92A-72N (72 × 72mm)
Y92A-96N (96 × 96 mm)
Y92A-72N_Dim3
Y92A-96N_Dim4
Panel Cutout
Y92A-48N (48 × 48 mm)
Y92A-48N_Dim5