ID Tag
V700-D23P31
Coin-shaped ID Tag
V700-D23P41
Stick-shaped ID Tag
V700-D23P31_Dim
V700-D23P41_Dim
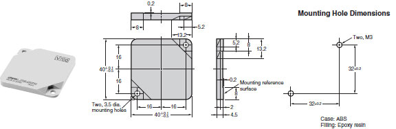
V700-D23P61
Square Tags
V700-D23P61_Dim
ID Tag Holder (for V700-D23P31)
V700-A80_Dim
Antenna
V700-H01 Standard Antenna
V700-H01_Dim
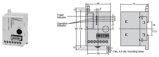
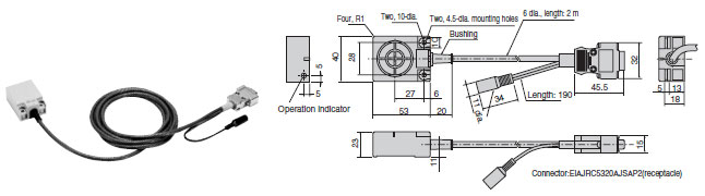
Compact Reader Writer
V700-HMD11
V700-HMD11_Dim
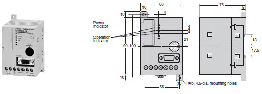
V700-HMD11-1
V700-HMD11-1_Dim
Controller
V700-CD1D-V3
V700-CD1D-V3_Dim
V700-CD2D-V3
V700-CD2D-V3_Dim
ID Link Unit
V700-L12
V700-L12_Dim