Solid State Contactors for Heaters
Image
| Product classification |
For 3-phase Heater |
|---|---|
| Zero cross function |
Equipped |
| Operating indicator |
Equipped (Yellow) |
| Rated voltage |
12 to 24 VDC |
| Rated load voltage |
100 to 240 VAC |
| Load current |
25 A (at 40 ℃) |
| Terminal structure |
Screw terminal |
As of November 10, 2025
| Product classification | For 3-phase Heater | ||
|---|---|---|---|
| Number of phases | Three-phase | ||
| Number of elements | 2 | ||
| Isolation method | Phototriac | ||
| Zero cross function | Equipped | ||
| Operating indicator | Equipped (Yellow) | ||
| Terminal structure | Screw terminal | ||
| Mounting | DIN track mounting | ||
| Input | Rated voltage | 12 to 24 VDC | Operating voltage range | 9.6 to 30 VDC | Input current | 10 mA max. (at 24 VDC) | Operate voltage | 9.6 V max.DC | Release voltage | 1 V min.DC |
| Output | Rated load voltage | 100 to 240 VAC | Load voltage range | 75 to 264 VAC | Minimum load current | 0.2 A | Load current | 25 A (at 40 ℃) | Inrush current resistivity | 220 A (60 Hz 1 cycle) | Permissible I2**t | 260 A2s | Applicable load | Load carrying capacity | 8.6 kW (at 200 VAC) |
| Operate time | 1/2 cycle of load power source + 1 ms max. |
|---|---|
| Release time | 1/2 cycle of load power source + 1 ms max. |
| Output ON voltage drop | 1.6 V max. (RMS) |
| Leakage current | 10 mA max. (at 200 VAC (The leakage current of phase S will be approximately √3 times larger)) |
| Insulation resistance | 100 MΩ min. (at 500 VDC) |
| Dielectric strength | 2500 VAC 50/60 Hz 1 min |
| Vibration resistance | 10 to 55 to 10 Hz, 0.175 mm single amplitude (0.35 mm double amplitude) |
| Shock resistance | 294 m/s2 (When mounted to a DIN track in reverse: 98 m/s2) |
| Ambient temperature (Operating) | -30 to 80 ℃ (with no freezing or condensation) |
| Ambient temperature (Storage) | -30 to 100 ℃ (with no freezing or condensation) |
| Ambient humidity (Operating) | 45 to 85 % |
| Weight | Approx. 1250 g |
As of November 10, 2025
As of November 10, 2025
Mounting holes

As of November 10, 2025
As of November 10, 2025
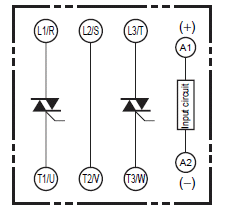
Terminal arrangement and internal connection

As of November 10, 2025
As of November 10, 2025
Input Voltage vs. Input Impedance and Input Voltage vs. Input Current

Load current-ambient temperature

Inrush current resistivity (Non-repetitive)

As of November 10, 2025
Series