Safety Limit Switch
Image
| アクチュエータ |
ローラ・プランジャ形 |
|---|---|
| 動作方式 |
スローアクション |
| 接点構成 |
3NC |
| 保護構造 |
IP67 |
As of October 23, 2025
| 動作方式 | スローアクション |
|---|---|
| アクチュエータ | ローラ・プランジャ形 φ9.5×5 樹脂ローラ |
| 定格周波数 | 50/60Hz |
| 接点構成 | 3NC |
| 負荷 | 一般負荷/微小負荷共用 |
| コンジット | M20 コンジット数: 1 |
| 周囲温度範囲 | 使用時: -30~70℃ (ただし、氷結しないこと) |
| 周囲湿度範囲 | 95%RH以下 |
| 許容操作頻度 | 30回/分以下 |
|---|---|
| 接触抵抗 (初期値) | 25mΩ以下 |
| 絶縁抵抗 | 100MΩ以上 |
| インパルス耐電圧 | 同極端子間: 2.5kV 異極端子間: 4kV 各端子と非充電金属部間: 6kV |
| 耐久性 | 電気的: 30万回以上 (AC250V 10A)、50万回以上 (AC250V 3A) 機械的: 1500万回以上 |
| 耐振動 | 誤動作: 10~55Hz 片振幅 0.75mm |
| 耐衝撃 | 耐久: 1000m/s2 誤動作: 300m/s2 |
| 保護構造 | IP67 |
| 感電保護クラス | Class II (二重絶縁) |
| 動作に必要な力(OF) | 規格値 最大 6.5N |
|---|---|
| もどりの力(RF) | 規格値 最小 1.5N |
| 動作までの動き(PT) | 規格値 最大 2mm |
| 動作後の動き(OT) | 規格値 最小 4mm |
| 動作位置(OP) | 規格値 28.6±0.8mm |
| 全体の動き(TT) | 参考値 6mm |
| 直接開路動作力(DOF) | 規格値 最小 20N |
| 直接開路動作までの動き(DOT) | 規格値 最小 3.2mm |
As of October 23, 2025
As of October 23, 2025

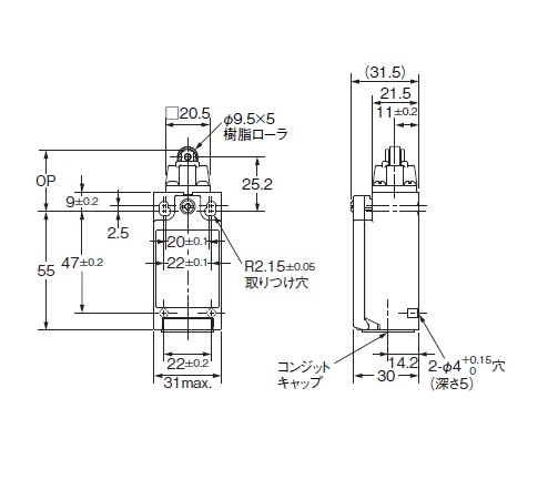
取りつけ穴加工図

As of October 23, 2025
As of October 23, 2025

As of October 23, 2025