Long Sensing-distance Capacitive Separate Amplifier Proximity Sensor
Image
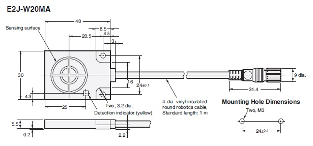
| Sensing head size |
30 mm x 5.5 mm x 40 mm |
|---|---|
| Type |
Long-distance type, Flat Model Sensor Head, Capacitive type, Unshielded |
| Sensing distance |
20 mm |
As of August 8, 2024
| Sensing head size | 30 mm x 5.5 mm x 40 mm |
|---|---|
| Type | Long-distance type, Flat Model Sensor Head, Capacitive type, Unshielded |
| Sensing distance | 20 mm |
| Differential distance | 15% max. of sensing distance |
| Sensing object | Conductor and dielectrics |
| Standard sensing object | With grounded metal 50 x 50 x 1 mm |
| Response frequency | 70 Hz |
| Indicator | Detection indicator (yellow) |
| Ambient temperature (Operating) | -10 to 55 ℃ |
| Ambient temperature (Storage) | -10 to 55 ℃ |
| Ambient humidity (Operating) | 35 to 85 % |
| Ambient humidity (Storage) | 35 to 85 % |
| Vibration resistance | Destruction: 10 to 500 Hz, 2 mm double amplitude or 150 m/s2 each in X, Y, and Z directions for 2 h |
| Shock resistance | Destruction: 500 m/s2 3 times each in X, Y and Z directions |
| Degree of protection | IEC: IP66 |
| Connection method | Pre-wired M8 connector models (1 m) |
| Weight | Package: Approx. 40 g |
| Material | Case: Heat-resistant ABS resin |
| Amplifier unit/sensor head of combination | E2J-JC4A |
As of August 8, 2024
As of August 8, 2024
Dimensions

As of August 8, 2024
As of August 8, 2024
Timing chart

As of August 8, 2024
As of August 8, 2024
Mutual interference

A: 70 mm min., B: 50 mm min.
As of August 8, 2024
As of August 8, 2024
Effects of surrounding metals

A: 20 mm min., B: 40 mm min.
As of August 8, 2024
As of August 8, 2024
Sensing distance vs. size and material of sensing object

Sensing range

As of August 8, 2024