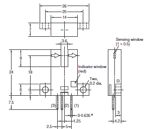
Slot-type Reflective Photomicrosensor
                                 
                            
Image
| Type | Grooved Type | 
|---|---|
| Luminous method | Modulated | 
| Sensing method | Through-beam type | 
| Sensing distance | Slot width: 3.6 m | 
| Control output (Output type) | NPN voltage output | 
| Operation mode | Dark-ON | 
| Connection method | Connector type | 
As of July 25, 2024
| Type | Grooved Type | |
|---|---|---|
| Luminous method | Modulated | |
| Sensing method | Through-beam type | |
| Sensing distance | Slot width: 3.6 m | |
| Operation mode | Dark-ON | |
| Standard sensing object | Opaque, 1 x 0.5 mm min. | |
| Differential distance elements | 0.05 mm max. | |
| Light source (Peak wavelength) | GaAs infrared LED (940 nm) | |
| Indicator | Light indicator (red) | |
| Power supply voltage | 5 to 24 VDC ±10% ripple (p-p) 5 % max. | |
| Current consumption | Average value: 15 mA max. Peak: 50 mA max. | |
| Control output | Output type | NPN voltage output | Load power supply voltage | 5 to 24 VDC | Load curren | 80 mA max. | Residual voltage | at 80 mA load current: 1.0 V max. at 10 mA load current: 0.4 V max. | 
| Response frequency elements | 500 Hz min. | |
| Illumination on the surface receiver | Incandescent light, sunlight: 3000 lx max. | |
| Ambient temperature | Operating: -10 to 55  ℃ (with no freezing or condensation) Storage: -25 to 65 ℃ (with no freezing or condensation) | |
| Ambient humidity | Operating: 5 to 85 % (with no condensation) Storage: 5 to 95 % (with no condensation) | |
| Vibration resistance | Destruction: 10 to 55 Hz, 1.5 mm double amplitude each in X, Y, and Z directions for 2 h | |
| Shock resistance | Destruction: 500 m/s2 for 3 times each in X, Y, and Z directions | |
| Degree of protection | IP50 | |
| Connection method | Connector type (No) | |
| Weight | Approx. 2.6 g | |
| Material | Case: Polycarbonate (PC) | |
As of July 25, 2024
As of July 25, 2024
Terminal array
As of July 25, 2024
As of July 25, 2024
Output circuit
Timing chart
As of July 25, 2024
Series