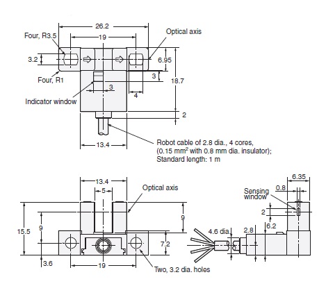
Slot-type Photomicrosensor with connector or pre-wired models (Non-modulated)*1
Image
| Type |
Grooved Type (L-shaped) |
|---|---|
| Luminous method |
Non-modulated |
| Sensing method |
Through-beam type |
| Sensing distance |
Slot width: 5 mm |
| Control output (Output type) |
NPN open collector output |
| Operation mode |
Dark-ON/Light-ON (selectable) |
| Connection method |
Pre-wired models |
As of July 25, 2024
| Type | Grooved Type (L-shaped) | |
|---|---|---|
| Luminous method | Non-modulated | |
| Sensing method | Through-beam type | |
| Sensing distance | Slot width: 5 mm | |
| Operation mode | Dark-ON/Light-ON (selectable) | |
| Standard sensing object | Opaque, 2 x 0.8 mm min. | |
| Differential distance elements | 0.025 mm max. | |
| Light source (Peak wavelength) | Infrared LED (940 nm) | |
| Indicator | Light indicator (red) | |
| Power supply voltage | 5 to 24 VDC ±10% ripple (p-p) 10 % max. | |
| Current consumption | 35 mA | |
| Control output | Output type | NPN open collector output | Load power supply voltage | 5 to 24 VDC | Load curren | 100 mA max. | Residual voltage | at 100 mA load current: 0.8 V max. at 40 mA load current: 0.4 V max. |
| Response frequency elements | 1 kHz min. Average value: 3 kHz | |
| Illumination on the surface receiver | Fluorescent light: 1000 lx max. | |
| Ambient temperature | Operating: -25 to 55 ℃ (with no freezing or condensation) Storage: -30 to 80 ℃ (with no freezing or condensation) | |
| Ambient humidity | Operating: 5 to 85 % (with no condensation) Storage: 5 to 95 % (with no condensation) | |
| Vibration resistance | Destruction: 20 to 2000 Hz, peak acceleration 100 m/s2, 1.5-mm double amplitude 2 h each in X, Y, and Z directions (4 min periods) | |
| Shock resistance | Destruction: 500 m/s2 for 3 times each in X, Y, and Z directions | |
| Degree of protection | IP50 | |
| Connection method | Pre-wired models | |
| Cable length | 1 m | |
| Weight | Package: Approx. 17.3 g | |
| Material | Case: Polybutylene terephthalate (PBT) Emitter/Receiver Cover: Polycarbonate (PC) | |
As of July 25, 2024
As of July 25, 2024

Terminal array
As of July 25, 2024
As of July 25, 2024
Output circuit

Timing chart

As of July 25, 2024
As of July 25, 2024

As of July 25, 2024
Series