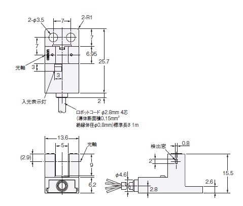
Slot-type Photomicrosensor with connector or pre-wired models (Non-modulated)*1
Image
| タイプ |
溝型 (密着取りつけ型) |
|---|---|
| 発光方式 |
直流光 |
| 検出方式 |
透過形 |
| 検出距離 |
溝幅: 5mm |
| 制御出力(出力形式) |
NPNオープンコレクタ出力 |
| 動作モード |
しゃ光時ON/入光時ON(切替可) |
| 接続方式 |
コード引き出しタイプ |
As of July 25, 2024
| タイプ | 溝型 (密着取りつけ型) | |
|---|---|---|
| 発光方式 | 直流光 | |
| 検出方式 | 透過形 | |
| 検出距離 | 溝幅: 5mm | |
| 動作モード | しゃ光時ON/入光時ON(切替可) | |
| 標準検出物体 | 2×0.8mm以上の不透明体 | |
| 応差 | 0.025mm以下 | |
| 光源(ピーク発光波長) | 赤外発光ダイオード (940nm) | |
| 表示灯 | 入光時点灯(赤色) | |
| 電源電圧 | DC5~24V ±10% リップル(p-p) 10%以下 | |
| 消費電流 | 35mA | |
| 制御出力 | 出力形式 | NPNオープンコレクタ出力 | 負荷電源電圧 | DC5~24V | 負荷電流 | 100mA以下 | 残留電圧 | 負荷電流100mA時: 0.8V以下 負荷電流40mA時: 0.4V以下 |
| 応答周波数 | 1kHz以上 平均値: 3kHz | |
| 受光面照度 | 蛍光灯: 1000lx以下 | |
| 周囲温度範囲 | 動作時: -25~55℃ (ただし、氷結、結露しないこと) 保存時: -30~80℃ (ただし、氷結、結露しないこと) | |
| 周囲湿度範囲 | 動作時: 5~85%RH (ただし、結露しないこと) 保存時: 5~95%RH (ただし、結露しないこと) | |
| 耐振動 | 耐久: 20~2000Hz ピーク加速度 100m/s2 複振幅 1.5mm X、Y、Z各方向 2h(4min周期) | |
| 耐衝撃 | 耐久: 500m/s2 X、Y、Z各方向 3回 | |
| 保護構造 | IP50 | |
| 接続方式 | コード引き出しタイプ | |
| コード長 | 1m | |
| 質量 | 梱包状態: 約17.1g | |
| 材質 | ケース: ポリブチレンテレフタレート(PBT) 投・受光部カバー: ポリカーボネート(PC) | |
As of July 25, 2024
As of July 25, 2024

端子配置
As of July 25, 2024
As of July 25, 2024
出力回路

タイムチャート

As of July 25, 2024
As of July 25, 2024

As of July 25, 2024
Series