Ratchet Relay
Image
| コイル定格 |
AC200V 50Hz 37mA AC200V 60Hz 32mA AC220V 60Hz 36.8mA |
|---|---|
| 接点構成 |
2c |
| 接触機構 |
シングル |
| 接点材質 |
Ag合金 |
| 接点定格負荷 |
AC220V 5A (抵抗負荷) AC220V 3A (誘導負荷 (cosφ=0.4)) DC24V 5A (抵抗負荷) DC24V 4A (誘導負荷 (L/R=7ms)) |
| 端子構造 |
プラグイン端子 |
As of July 25, 2024
| 保護構造 | 閉鎖型(ケース入り) | |
|---|---|---|
| 端子構造 | プラグイン端子 | |
| コイル | コイル定格 | AC200V 50Hz 37mA AC200V 60Hz 32mA AC220V 60Hz 36.8mA | コイル抵抗 | 671Ω | 動作電圧(セット電圧) | 80%以下 | 復帰電圧(リセット電圧) | 10%以上 | 最大許容電圧 | 110% | 消費電力 | 約13.5VA 起動時/約6.4VA 定格 |
| 接点 | 定格負荷 | AC220V 5A (抵抗負荷) AC220V 3A (誘導負荷 (cosφ=0.4)) DC24V 5A (抵抗負荷) DC24V 4A (誘導負荷 (L/R=7ms)) | 接点電圧の最大値 | AC250V DC250V | 接点電流の最大値 | AC: 5A DC: 5A | 最大開閉容量 | 1100VA (抵抗負荷) 660VA (誘導負荷 (cosφ=0.4)) 120W (抵抗負荷) 100W (誘導負荷 (L/R=7ms)) | 接点構成 | 2c | 接触機構 | シングル | 接点材質 | Ag合金 |
| 接触抵抗 | 50mΩ以下 (DC5V 1A 電圧降下法) |
|---|---|
| 動作時間 | 60ms以下 (定格操作電圧印加時、23℃、接点バウンス含まず) |
| 最大開閉頻度 | 機械的: 1200回/時間 定格負荷: 1200回/時間 |
| 絶縁抵抗 | コイルと接点間: 100MΩ以上 (DC500V絶縁抵抗計にて) 異極接点間: 100MΩ以上 (DC500V絶縁抵抗計にて) 同極接点間: 100MΩ以上 (DC500V絶縁抵抗計にて) |
| 耐電圧 | コイルと接点間: AC2000V 50/60Hz 1min 異極接点間: AC2000V 50/60Hz 1min 同極接点間: AC1000V 50/60Hz 1min |
| 耐振動(耐久) | 10~55~10Hz 片振幅 0.75mm (複振幅 1.5mm) |
| 耐振動(誤動作) | 10~55~10Hz 片振幅 0.25mm (複振幅 0.5mm) |
| 耐衝撃(耐久) | 500m/s2 |
| 耐衝撃(誤動作) | 100m/s2 |
| 耐久性(機械的) | 500万ステップ以上 (開閉ひん度1,200回/h) |
| 耐久性(電気的) | 50万ステップ以上 (23℃、定格負荷、開閉ひん度1,200回/h) |
| 故障率 | DC5V 100mA (P水準、参考値) (開閉ひん度60回/min) |
| 使用温度範囲 | -10~55℃(ただし、氷結、結露しないこと) |
| 使用湿度範囲 | 5~85%RH |
| 質量 | 約340g |
| 取りつけ方法 | ソケット |
| 適用ソケット | 8PFA1/ PL08 |
As of July 25, 2024
As of July 25, 2024
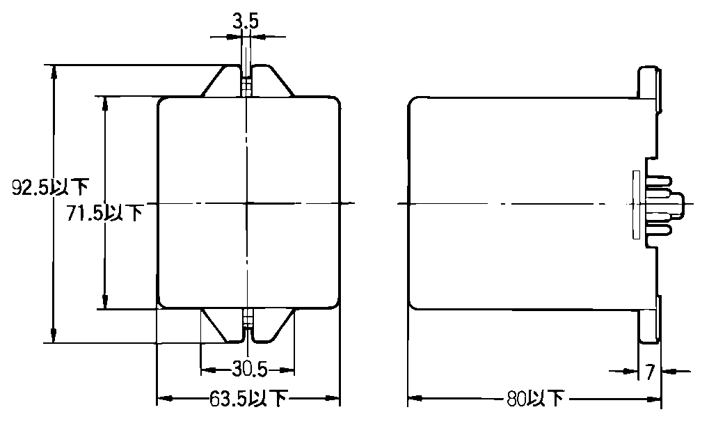
外形図

As of July 25, 2024
As of July 25, 2024
端子配置/内部接続

As of July 25, 2024
As of July 25, 2024
電気的寿命曲線

As of July 25, 2024