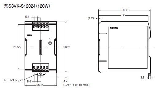
S8VK-S (30/60/120/240/480-W Models)
Image
容量 |
120W |
---|---|
出力電圧 |
DC24V |
定格入力電圧 |
AC100~240V |
構造 |
カバー付きタイプ |
入出力接続 |
端子台 |
端子台タイプ |
プッシュインPlus端子台 |
As of July 25, 2024
容量 | 120W | |
---|---|---|
出力電圧 | DC24V | |
効率 | 90% typ. (AC115V入力時) 92% typ. (AC230V入力時) | |
入力条件 | 定格入力電圧 | AC100~240V | 入力電圧許容変動範囲 | AC85~264V (単相)/AC265~300V (1秒) DC90~350V | 周波数 | 50/60Hz (47~63Hz) | 入力電流 | 1.2A typ. (AC115V入力時) 0.63A typ. (AC230V入力時) | 力率 | 0.9以上 | リーク電流 | 0.5mA以下 (AC115V入力時) 1mA以下 (AC230V入力時) | 突入電流(25℃ コールドスタート) | 16A typ. (AC115V入力時) 32A typ. (AC230V入力時) |
出力特性 | 出力電流 | 5A | 電圧可変範囲 | 21.6~28V V.ADJにて | 定格出力電力 | 120W | 最大ピーク電流 | 6A | リップルノイズ電圧 | 110mV(p-p)以下 (周波数帯域20MHz時) | 静的入力変動 | 0.5%以下 | 静的負荷変動 | 1.5%以下 | 周囲温度変動 | 0.05%/℃以下 | 起動時間 | 1000ms以下 (AC115V入力時) 1000ms以下 (AC230V入力時) | 出力保持時間 | 45ms typ. (AC115V入力時) 45ms typ. (AC230V入力時) |
付属機能 | 過電流保護 | 有、自動復帰 | 過電圧保護 | 有、電断復帰 | 直列運転 | 可 (2台まで接続可能。外付けダイオード要) | 並列運転 | 可 (2台まで接続可能) | 出力表示灯 | 有(色: 緑) |
絶縁耐圧 | 耐電圧 | (入力端子一括)と(出力端子一括)間: AC3kV 1min カットオフ電流10mA (入力端子一括)と(PE)間: AC2kV 1min カットオフ電流10mA (出力端子一括)と(PE)間: AC1kV 1min カットオフ電流20mA | 絶縁抵抗 | (出力端子一括)と(入力端子一括、PE)間: 100MΩ以上 DC500V |
環境 | 耐振動 | 10~55Hz 最大5G 片振幅0.42mm 3方向 各2h | 耐衝撃 | 150m/s2、6方向 各3回 | 標高 | 3000m以下 | 使用周囲温度 | -40~70℃(ただし、氷結、結露しないこと) | 保存温度 | -40~85℃(ただし、氷結、結露しないこと) | 使用周囲湿度 | 95%RH以下 | 保存湿度 | 95%RH以下 |
信頼性 | MTBF | 13.5万時間以上 | 期待寿命 | 10年以上 (定格入力、50%負荷率、周囲温度+40℃以下、標準取りつけ状態にて) |
構造 | 構造 | カバー付きタイプ | 入出力接続 | 端子台 | 端子台タイプ | プッシュインPlus端子台 | 取りつけ | DINレール取りつけ | コーティング | 有 | 保護構造 | IP20、EN/IEC 60529による | 質量(本体) | 400g以下 |
備考
インバータによっては出力仕様として、出力周波数を50/60Hzと表示されているものもありますが、パワーサプライの内部温度上昇により発煙・焼損の恐れがありますので、インバータの出力をパワーサプライの電源として使用しないでください。
As of July 25, 2024
As of July 25, 2024
As of July 25, 2024
As of July 25, 2024
取りつけ状態
As of July 25, 2024
As of July 25, 2024
ブロック図
As of July 25, 2024
As of July 25, 2024
As of July 25, 2024