AC Axial Fans
Image
| Motor type |
Single-phase shading coil induction motor (2-pole, open type) |
|---|---|
| Rotation speed |
High speed |
| Size |
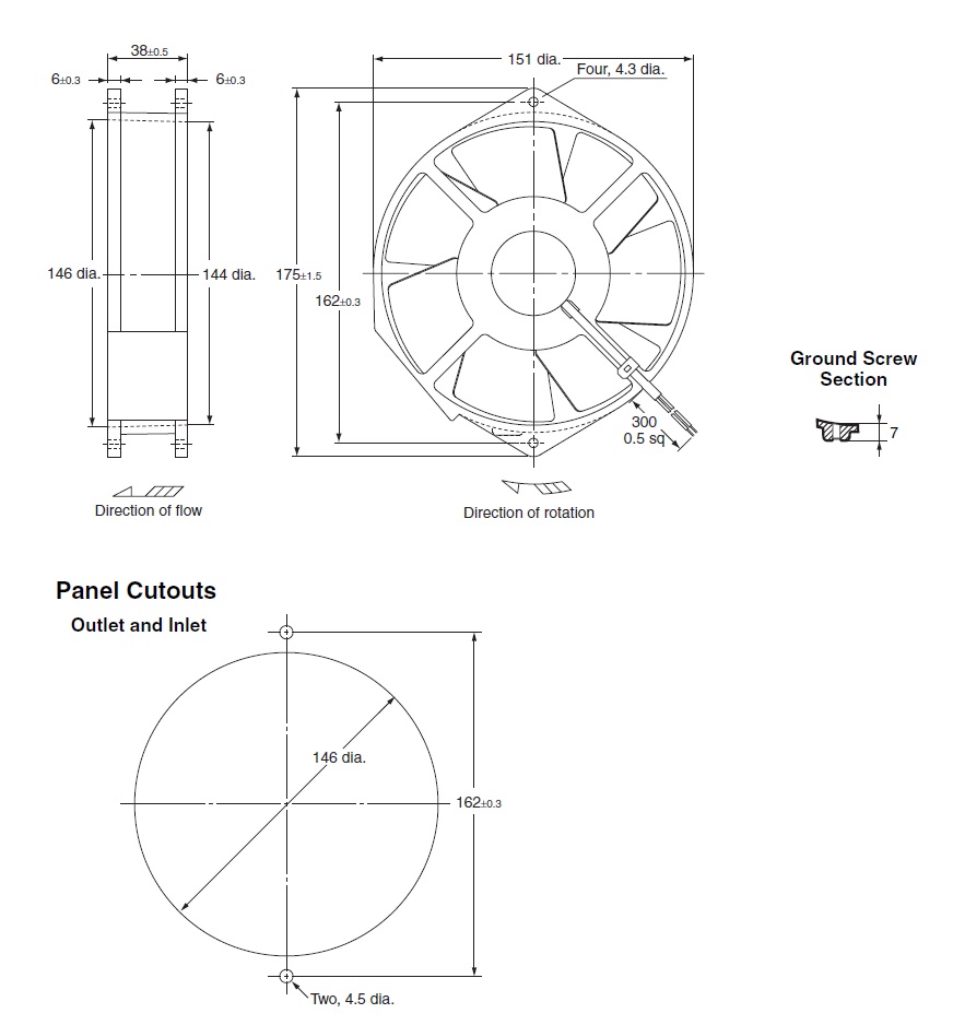
150 dia. x 38 mm |
| Rated voltage |
230 VAC |
| Max. flow rate (Nominal value) |
50 Hz: 4.8 m3/min 60 Hz: 5.7 m3/min |
| Bearings |
Ball bearing |
As of November 12, 2025
| Motor type | Single-phase shading coil induction motor (2-pole, open type) |
|---|---|
| Rotation speed | High speed |
| Size | 150 dia. x 38 mm |
| Rated voltage | 230 VAC |
| Permitted voltage fluctuation range | 85% to 110% of rated voltage |
| Rated current (Nominal value) | 50 Hz: 0.220 A 60 Hz: 0.190 A |
| Rated input (Nominal value) | 50 Hz: 50 W 60 Hz: 48 W |
| Rated rotational speed (Nominal value) | 50 Hz: 2650 r/min 60 Hz: 3100 r/min |
| Max. flow rate (Nominal value) | 50 Hz: 4.8 m3/min 60 Hz: 5.7 m3/min |
| Max. static pressure (Nominal value) | 50 Hz: 104 Pa 60 Hz: 107 Pa |
| Noise (Nominal value) | 50 Hz: 56 dB 60 Hz: 58 dB |
| Protection | Thermal protection |
| Ambient temperature | Operating: -20 to 70 ℃ (with no icing) Storage: -40 to 85 ℃ (with no icing) |
| Ambient humidity | Operating: 25 to 85 % |
| Insulation class | IEC class B (130 ℃) UL class A (105 ℃) |
| Insulation registance | Between all power supply connections and uncharged metal parts: 100 MΩ min. (at 500 VDC) |
| Material | Frame: Aluminum diecast Blades: Steel plate (Black coating) |
| Bearings | Ball bearing |
| Weight | Approx. 840 g |
As of November 12, 2025
As of November 12, 2025

As of November 12, 2025
As of November 12, 2025

As of November 12, 2025
Series