Miniature Power Relays
Image
| コイル定格 |
DC24V 36.9mA |
|---|---|
| 動作表示 |
LED |
| コイルサージ吸収機能 |
ダイオード |
| 接点構成 |
2c |
| 接触機構 |
ツイン |
| 接点材質 |
Auメッキ+Ag |
| 接点定格負荷 |
AC220V 5A (抵抗負荷) AC220V 2A (誘導負荷 (cosφ=0.4)) DC24V 5A (抵抗負荷) DC24V 2A (誘導負荷 (L/R=7ms)) |
| 端子構造 |
プラグイン端子 |
As of September 4, 2025
| 動作表示 | LED | |
|---|---|---|
| コイルサージ吸収機能 | ダイオード | |
| 保護構造 | 閉鎖型(ケース入り) | |
| 端子構造 | プラグイン端子 | |
| コイル | コイル定格 | DC24V 36.9mA | コイル抵抗 | 650Ω | 動作電圧(セット電圧) | 80%以下 | 復帰電圧(リセット電圧) | 10%以上 | 最大許容電圧 | 110% (23℃) | 消費電力 | 約0.9W |
| 接点 | 定格負荷 | AC220V 5A (抵抗負荷) AC220V 2A (誘導負荷 (cosφ=0.4)) DC24V 5A (抵抗負荷) DC24V 2A (誘導負荷 (L/R=7ms)) | 接点電圧の最大値 | AC250V DC125V | 接点電流の最大値 | AC: 5A DC: 5A | 最大開閉容量 | 1100VA (抵抗負荷) 440VA (誘導負荷 (cosφ=0.4)) 120W (抵抗負荷) 48W (誘導負荷 (L/R=7ms)) | 接点構成 | 2c | 接触機構 | ツイン | 接点材質 | Auメッキ+Ag |
| 接触抵抗 | 50mΩ以下 (DC5V 1A 電圧降下法) |
|---|---|
| 動作時間 | 20ms以下 (定格操作電圧印加時、接点バウンス含まず) |
| 復帰時間 | 20ms以下 (定格操作電圧印加時、接点バウンス含まず) |
| 最大開閉頻度 | 機械的: 18000回/時間 定格負荷: 1800回/時間 |
| 絶縁抵抗 | コイルと接点間: 100MΩ以上 (DC500V絶縁抵抗計にて) 異極接点間: 100MΩ以上 (DC500V絶縁抵抗計にて) 同極接点間: 100MΩ以上 (DC500V絶縁抵抗計にて) |
| 耐電圧 | コイルと接点間: AC2000V 50/60Hz 1min 異極接点間: AC2000V 50/60Hz 1min 同極接点間: AC1000V 50/60Hz 1min |
| 耐振動(耐久) | 10~55~10Hz 片振幅 0.5mm (複振幅 1mm) |
| 耐振動(誤動作) | 10~55~10Hz 片振幅 0.5mm (複振幅 1mm) |
| 耐衝撃(耐久) | 1000m/s2 |
| 耐衝撃(誤動作) | 200m/s2 |
| 耐久性(機械的) | 5000万回以上 (開閉ひん度18,000回/h) |
| 耐久性(電気的) | 20万回以上 (23℃、定格負荷、開閉ひん度1,800回/h) |
| 故障率 | DC1V 100µA (P水準、参考値) (開閉ひん度120回/min) |
| 使用温度範囲 | -55~60℃(ただし、氷結、結露しないこと) |
| 使用湿度範囲 | 5~85%RH |
| 質量 | 約35g |
| 取りつけ方法 | ソケット |
| 適用ソケット | PYF08S/ PYF08M/ PYF-08-PU/ PYF-08-PU-L/ PYFZ-08/ PYFZ-08-E/ PY08/ PY08-Y1/ PY08QN/ PY08QN2/ PY08QN-Y1/ PY08QN2-Y1/ PY08-02 |
As of September 4, 2025
As of September 4, 2025
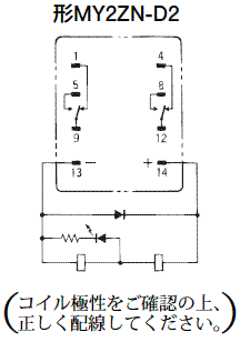
端子配置/内部接続
As of September 4, 2025
As of September 4, 2025
開閉容量

As of September 4, 2025