Miniature Limit Switch
Image
| 形状・構造 |
汎用タテ型 |
|---|---|
| アクチュエータ |
シール・ローラ・プランジャ形 |
| 電気定格 |
DC30V 1A |
| 接点構成 |
1c |
| 保護構造 |
IP67 |
As of August 8, 2024
| 形状・構造 | 汎用タテ型 |
|---|---|
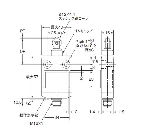
| アクチュエータ | シール・ローラ・プランジャ形 φ12×4.4 ステンレス鋼ローラ |
| 電気定格 | DC30V 1A |
| 接点構成 | 1c |
| 負荷 | 一般負荷 |
| 開閉能力(DC) | 抵抗負荷: DC30V 1A ランプ負荷: DC30V 1A 誘導負荷: DC30V 1A 電動機負荷: DC30V 1A |
| 許容突入電流 | 常時閉路: 最大5A 常時開路: 最大2.5A |
| 動作表示灯 | LED、不動作時点灯 DC30V 漏れ電流: 約1mA |
| 周囲温度範囲 | 使用時: -10~70℃ (ただし、氷結しないこと) |
| 周囲湿度範囲 | 35~95%RH |
| 許容操作速度 | 0.1mm/s~0.5m/s |
|---|---|
| 許容操作頻度 | 電気的: 30回/分以下 機械的: 120回/分以下 |
| 接触抵抗 (初期値) | 100mΩ以下 |
| 絶縁抵抗 | 100MΩ以上 (DC500Vメガにて) |
| 耐電圧 | 同極端子間: AC1000V 50/60Hz 1min 充電金属部とアース間: AC1500V 50/60Hz 1min 各端子と非充電金属部間: AC1500V 50/60Hz 1min |
| 耐久性 | 電気的: 20万回以上 (AC125V 1A) 機械的: 1000万回以上 |
| 耐振動 | 誤動作: 10~55Hz 複振幅 1.5mm |
| 耐衝撃 | 耐久: 最大1000m/s2 誤動作: 最大500m/s2 |
| 保護構造 | IP67 |
| 動作に必要な力(OF) | 規格値 最大 17.65N |
|---|---|
| もどりの力(RF) | 規格値 最小 4.41N |
| 動作までの動き(PT) | 規格値 最大 1.8mm |
| 応差の動き(MD) | 規格値 最大 0.2mm |
| 動作後の動き(OT) | 規格値 最小 3mm |
| 動作位置(OP) | 規格値 34.3±1mm |
| 全体の動き(TT) | 参考値 5mm |
As of August 8, 2024
As of August 8, 2024

取りつけ穴加工図

As of August 8, 2024
As of August 8, 2024

コネクタピン配置図

As of August 8, 2024