Wafer-carrier Mounting Photomicrosensors
Image
| Luminous method |
Modulated |
|---|---|
| Sensing method |
Reflective |
| Sensing distance |
White paper 15 x 15 mm (Reflection factor: 90%): 0 to 5 mm Black paper 15 x 15 mm (Reflection factor: 10%): 0 to 3 mm |
| Control output (Output type) |
NPN open collector output |
| Operation mode |
Turns ON when wafer carrier is present |
| Connection method |
Pre-wired models |
As of July 25, 2024
| Luminous method | Modulated | |
|---|---|---|
| Sensing method | Reflective | |
| Sensing distance | White paper 15 x 15 mm (Reflection factor: 90%): 0 to 5 mm Black paper 15 x 15 mm (Reflection factor: 10%): 0 to 3 mm | |
| Operation mode | Turns ON when wafer carrier is present | |
| Standard sensing object | Transparent or opaque wafer carriers | |
| Light source (Peak wavelength) | GaAs infrared LED (940 nm) | |
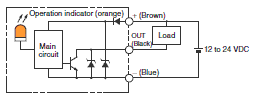
| Indicator | Lit orange when object is detected (orange) | |
| Power supply voltage | 12 to 24 VDC ±10% ripple (p-p) 5 % max. | |
| Current consumption | 30 mA max. | |
| Control output | Output type | NPN open collector output | Load power supply voltage | 5 to 24 VDC | Load curren | 100 mA max. | Residual voltage | at 100 mA load current: 0.8 V max. at 40 mA load current: 0.4 V max. |
| Response time | 5 ms max. | |
| Illumination on the surface receiver | Incandescent light, sunlight: 3000 lx max. | |
| Ambient temperature | Operating: -10 to 55 ℃ (with no icing) Storage: -25 to 65 ℃ (with no icing) | |
| Ambient humidity | Operating: 5 to 85 % (with no condensation) Storage: 5 to 95 % (with no condensation) | |
| Vibration resistance | Destruction: 1 to 500 Hz, 1.0 mm single amplitude or acceleration 150 m/s2, 3 times each in X, Y, and Z directions (11 min/sweeps) | |
| Shock resistance | Destruction: 500 m/s2 for 3 times each in X, Y, and Z directions | |
| Degree of protection | IP30 | |
| Connection method | Pre-wired models | |
| Cable length | 2 m | |
| Weight | Main Unit: Approx. 43 g Pedestal: Approx. 9 g | |
| Material | Case: Ethylene tetrafluoro ethylene (ETFE) Base plate: Polybutylene terephthalate (PBT) | |
| Accessories | Instruction manual | |
As of July 25, 2024
As of July 25, 2024
As of July 25, 2024
As of July 25, 2024
Output circuit
Timing chart
As of July 25, 2024
Series