Switch Mode Power Supply (15/30/60/90/120/180/240/480-W Models)
Image
| Power rating |
120 W |
|---|---|
| Output voltage |
24 VDC |
| Rated input voltage |
100 to 240 VAC |
| Construction |
Covered type |
| Connection |
Terminal blocks |
| Terminal type |
Screw terminal |
As of November 4, 2025
| Power rating | 120 W | |
|---|---|---|
| Output voltage | 24 VDC | |
| Efficiency | 83 % typ. (at 100 VAC input) 85 % typ. (at 200 VAC input) | |
| Input | Rated input voltage | 100 to 240 VAC | Allowable input voltage variable range | 85 to 264 VAC 80 to 370 VDC | Frequency | 50/60Hz (47 to 63 Hz) | Rated input current | 1.9 A max., 1.5 A typ. (at 100 VAC input) 1.1 A max., 0.72 A typ. (at 200 VAC input) | Power factor | 0.9 min. | Leakage current | 0.5 mA max. (at 100 VAC input) 1.0 mA max. (at 200 VAC input) | Inrush current (cold start at 25 ℃) | 17.5 A max., 14 A typ. (at 100 VAC input) 35 A max., 28 A typ. (at 200 VAC input) |
| Output | Rated output current | 5 A | Output voltage variable range | -10 to +15 % With V.ADJ | Ripple | 130 mV max. (at rated input and output) | Static input variation influence | 0.5 % max. (at 100% load) | Static load variation influence | 1.5 % max. (at rated input, 0 to 100% load) | Ambient temperature variation influence | 0.05 %/℃ max. | Start up time | 650 ms typ. (at 100 VAC input) 520 ms typ. (at 200 VAC input) | Hold time | 56 ms typ. (at 100 VAC input) 56 ms typ. (at 200 VAC input) |
| Additional functions | Overload protection | Yes, automatic reset | Overvoltage protection | Yes, Shut off the input voltage and turn on the input again | Series operation | Yes (Up to 2 Power Supplies with external diode) | Parallel operation | No (However, backup operation is possible, external diodes required.) | Output indicator | Yes (color: green) | Output voltage indication | Yes (switching) | Output current indication | Yes (switching) | Peak-hold current indication | Yes (switching) | Total run time monitor | Output: Yes (Transistor output, 30 VDC max., 50 mA max) Indication: Yes (switching) | Undervoltage alarm | Output: Yes (Transistor output, 30 VDC max., 50 mA max) Indication: Yes (switching) |
| Insulation | Dielectric strength | Between all input terminals and PE terminals: 2 kVAC for 1 min, Detection current: 20 mA Between all input terminals and all output terminals/alarm outputs: 3 kVAC for 1 min, Detection current: 20 mA Between all output terminals/alarm outputs and all PE terminals: 1 kVAC for 1 min, Detection current: 20 mA Between all output terminals and all alarm outputs: 500 VAC for 1 min, Detection current: 20 mA | Insulation resistance | Between all output terminals/alarm outputs and all input terminals/PE terminals: 100 MΩ min., at 500 VDC |
| Environment | Vibration resistance | 10 to 55 Hz, 0.375 mm single amplitude in each 3 directions for 2 hours | Shock resistance | 150 m/s2, in each 6 directions 3 times | Ambient temperature (Operating) | -10 to 60 ℃ | Ambient temperature (Storage) | -25 to 65 ℃ | Ambient humidity (Operating) | 25 to 85 % | Ambient humidity (Storage) | 25 to 90 % |
| Reliability | Life expectancy | 10 years (at rated input, a load rate of 50% load, under the temperature of 40 ℃, standard mounting) |
| Construction | Construction | Covered type | Connection | Terminal blocks | Terminal type | Screw terminal | Mounting | DIN track mounting | Attachment | Terminal block cover | Weight (Main) | 550 g max. |
Note
Do not use the Inverter output for the Power Supply. Inverters with an output frequency of 50/60 Hz are available, but the rise in the internal temperature of the Power Supply may result in ignition or burning.
As of November 4, 2025
As of November 4, 2025

As of November 4, 2025
As of November 4, 2025
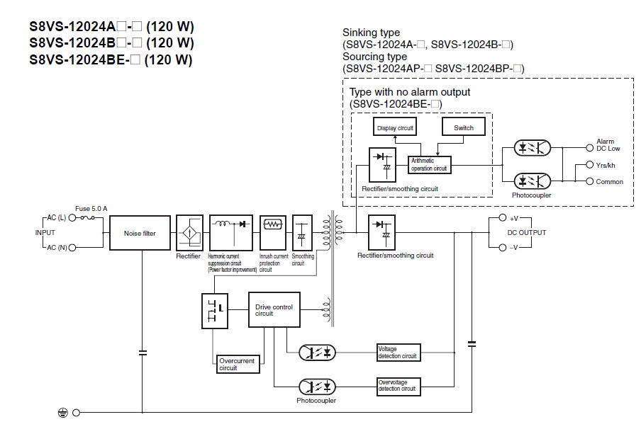
Block diagram

As of November 4, 2025
As of November 4, 2025
As of November 4, 2025