Pushbutton Switches
Image
| 種類 |
押ボタンスイッチ |
|---|---|
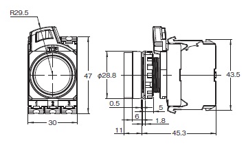
| 胴体形状 |
丸胴形(φ22/25mm共用) |
| 操作部 |
丸形 平形 赤 (不透明) |
| 照光方式 |
非照光 |
| ベゼル材質 |
樹脂 |
| 端子仕様 |
ねじ締め端子 (M3.5) |
As of July 25, 2024
| 種類 | 押ボタンスイッチ | |
|---|---|---|
| 胴体形状 | 丸胴形(φ22/25mm共用) | |
| 照光/非照光 | 非照光 | |
| 操作部 | 操作部形状 | 丸形 平形 | 操作部色 | 赤 | 透明/不透明 | 不透明 |
| 動作機能 | モーメンタリ | |
| ベゼル材質 | 樹脂 | |
| 負荷 | 一般負荷用 | |
| 最小適用負荷 | DC5V 6mA | |
| スイッチユニット構成 | ユニット位置3: NC | |
| 接点定格 | 接点構成 | 1b | 定格通電電流 | 10A | 開閉能力(AC) | 抵抗負荷(AC-12): AC24V 10A/AC120V 10A/AC240V 6A/AC380V 2A/AC440V 2A 誘導負荷(AC-15): AC24V 10A/AC120V 6A/AC240V 3A/AC380V 1.9A/AC440V 1.6A | 開閉能力(DC) | 抵抗負荷(DC-12): DC24V 8A/DC120V 2.2A/DC240V 1.1A 誘導負荷(DC-13): DC24V 4A/DC120V 1.1A/DC240V 0.55A | 開閉能力説明 | 測定条件: 周囲温度 20±2℃、周囲湿度 65±5%RH、操作ひん度 30回/min |
| 端子仕様 | ねじ締め端子 (M3.5) | |
| 許容操作頻度 | 電気的: 最大30回/分 機械的: 最大60回/分 | |
| 絶縁抵抗 | 100MΩ以上 (DC500Vメガ) | |
| 耐電圧 | 各端子とアース間: AC2500V 50/60Hz 1min 同極端子間: AC2500V 50/60Hz 1min (初期値) | |
| 耐振動 | 誤動作: 10~55Hz 複振幅 1.5mm (接点開離1ms以内) | |
| 耐衝撃 | 誤動作: 最大1000m/s2 (接点開離1ms以内) | |
| 周囲温度範囲 | 使用時: -25~70℃ (ただし、氷結、結露しないこと) 保存時: -40~80℃ (ただし、氷結、結露しないこと) | |
| 周囲湿度範囲 | 使用時: 35~85%RH | |
| 保護構造 | パネル前面: IP66、NEMA4X, NEMA13 | |
| 感電保護クラス | Class II | |
| PTI(トラッキング特性) | 175 | |
| 汚染度 | 3 (EN60947-5-1) | |
As of July 25, 2024
As of July 25, 2024

As of July 25, 2024
As of July 25, 2024

As of July 25, 2024
Series