Page top

M16

Indicator (Cylindrical 16-dia.)

M16

Cylindrical 16-dia. Indicator

(Unit: mm)

Rectangular
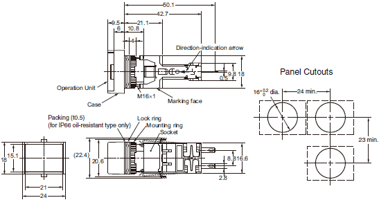
M16[]-J
Solder terminals/tab terminals (#110 t=0.5)

M16 Dimensions 1 M16[]-J_Dim

Square
M16[]-A
Solder terminals/tab terminals (#110 t=0.5)

M16 Dimensions 2 M16[]-A_Dim

Round
M16[]-T
Solder terminals/tab terminals (#110 t=0.5)

M16 Dimensions 4 M16[]-T_Dim
M16 Dimensions 5 M16_Terminal Hole_Dim

Rectangular
M16[]-J[]-T1
Voltage-reduction lighting, solder terminals/tab terminals (#110 t=0.5)

M16 Dimensions 7 M16[]-J[]-T1_Dim

Rectangular
M16[]-J[]-S
Screw-less Clamp

M16 Dimensions 9 M16[]-J[]-S_Dim