Page top

A22NE-PD / A22NE-P / A22E

Emergency Stop Pushbutton Switches (22-dia. or 25-dia.)

A22NE-PD / A22NE-P / A22E

Install in 22-dia. or 25-dia. Panel Cutout (When Using a Ring)

(Unit: mm)

A22NE-PD Push-in Plus Terminal Block Models

Non-lighted Models

A22NE-MP-PD[][]-N
Pull-reset (40-dia.) Degree of Protection: IP65 oil-resistant models

A22NE-PD / A22NE-P / A22E Dimensions 3

A22NE-MP-PD[][]-N-69K
Pull-reset (40-dia.) Degree of Protection: IP69K

A22NE-PD / A22NE-P / A22E Dimensions 4

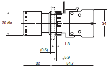
A22NE-S-PD[][]-N
Small Turn-reset (30-dia.) Degree of Protection: IP65 oil-resistant models

A22NE-PD / A22NE-P / A22E Dimensions 5

A22NE-M-PD[][]-N
Medium Turn-reset (40-dia.) Degree of Protection: IP65 oil-resistant models

A22NE-PD / A22NE-P / A22E Dimensions 6

Note: The dimensions the same even if the Operation Unit is replaced with the A22NE-MR[]-N or the A22NE-MR[]-N-RD.

A22NE-L-PD[][]-N
Large Turn-reset (60-dia.) Degree of Protection: IP65 oil-resistant models

A22NE-PD / A22NE-P / A22E Dimensions 8

Lighted Model

A22NE-M-PD[][]-C
Medium Turn-reset (40-dia.) Degree of Protection: IP65

A22NE-PD / A22NE-P / A22E Dimensions 9

Note: Unless otherwise specified, a tolerance of ±0.8mm applies to all dimensions.

Accessories (Order Separately)

LED Lamp

A22NZ-L-RC

A22NE-PD / A22NE-P / A22E Dimensions 12

Note: For details on the accessories common to the screw terminal block types and push-in plus terminal block types, refer to "Common Accessories and Tools (Order Separately)".

A22NE-P Push-in Plus Terminal Block Models

Non-lighted Models

A22NE-MP-P[][]2-N
Pull-reset (40-dia.) Degree of Protection: IP65 oil-resistant models

A22NE-PD / A22NE-P / A22E Dimensions 16

A22NE-MP-P[][]2-N-69K
Pull-reset (40-dia.) Degree of Protection: IP69K

A22NE-PD / A22NE-P / A22E Dimensions 17

A22NE-S-P[][]2-N
Small Turn-reset (30-dia.) Degree of Protection: IP65 oil-resistant models

A22NE-PD / A22NE-P / A22E Dimensions 18

A22NE-M-P[][]2-N
Medium Turn-reset (40-dia.) Degree of Protection: IP65 oil-resistant models

A22NE-PD / A22NE-P / A22E Dimensions 19

Note: The dimensions the same even if the Operation Unit is replaced with the A22NE-MR[]-N or the A22NE-MR[]-N-RD.

A22NE-L-P[][]2-N
Large Turn-reset (60-dia.) Degree of Protection: IP65 oil-resistant models

A22NE-PD / A22NE-P / A22E Dimensions 21

Lighted Model

A22NE-M-P[][]2-[]
Medium Turn-reset (40-dia.) Degree of Protection: IP65

A22NE-PD / A22NE-P / A22E Dimensions 23

Note: Unless otherwise specified, a tolerance of ±0.8mm applies to all dimensions.

Dimensions when a two-contact Switch Block is attached

A22NE-PD / A22NE-P / A22E Dimensions 25

Accessories (Order Separately)

Switch Block with Push-In Plus technology

Switch Block (one contact)

A22NZ-S-P1[]

A22NE-PD / A22NE-P / A22E Dimensions 28

Switch Block (two contacts)

A22NZ-S-P2[]

A22NE-PD / A22NE-P / A22E Dimensions 29

Lighting unit

A22NZ-T-[]P

A22NE-PD / A22NE-P / A22E Dimensions 30

Mounting Latches

A22NZ-H-02

A22NE-PD / A22NE-P / A22E Dimensions 31

LED Lamp

A22NZ-L-[][]

A22NE-PD / A22NE-P / A22E Dimensions 32

Control Box

A22NZ-A-B01Y

A22NE-PD / A22NE-P / A22E Dimensions 33

Control Box

A22NZ-A-B101Y

A22NE-PD / A22NE-P / A22E Dimensions 34

Note: For details on the accessories common to the screw terminal block types and push-in plus terminal block types, refer to "Common Accessories and Tools (Order Separately)" on below.

A22E Screw Terminal Block types

Non-lighted Models

A22E-MP
Medium Pull-reset (40-dia.) Degree of Protection: IP65 oil-resistant models

A22NE-PD / A22NE-P / A22E Dimensions 38

A22E-S
Small Turn-reset (30-dia.) Degree of Protection: IP65 oil-resistant models

A22NE-PD / A22NE-P / A22E Dimensions 39

A22E-M
Medium Turn-reset (40-dia.) Degree of Protection: IP65 oil-resistant models

A22NE-PD / A22NE-P / A22E Dimensions 40

Note: The dimensions are the same as for EMO/EMS indication models.

A22E-L
Large Turn-reset (60-dia.)Degree of Protection: IP65 oil-resistant models

A22NE-PD / A22NE-P / A22E Dimensions 42

Note: Unless otherwise specified, a tolerance of ±0.8mm applies to all dimensions.

Lighted Model

A22EL-M
Medium Turn-reset (40-dia.) Degree of Protection: IP65 oil-resistant models

A22NE-PD / A22NE-P / A22E Dimensions 45

Switch dimensions when mounted to a 2NO (2NC) one-piece switch block

A22NE-PD / A22NE-P / A22E Dimensions 46

Note: The operation unit is an example for the A22E-M.

Note: Unless otherwise specified, a tolerance of ±0.8mm applies to all dimensions.

Accessories (Order Separately)

LED Lamp

A22-6[], 12[], 24[]

A22NE-PD / A22NE-P / A22E Dimensions 49

Control Box

A22Z-B101Y (1-hole)

A22NE-PD / A22NE-P / A22E Dimensions 50

Cable Draw-out Hole (Top View)

A22NE-PD / A22NE-P / A22E Dimensions 51

A22Z-B201Y (1-hole)

A22NE-PD / A22NE-P / A22E Dimensions 52

Cable Draw-out Hole (Top View)

A22NE-PD / A22NE-P / A22E Dimensions 53

Note: For details on the accessories common to the screw terminal block types and push-in plus terminal block types,
         refer to "Common Accessories and Tools (Order Separately)" on below.

Common Accessories and Tools (Order Separately)

Common to Push-in Plus Terminal Block types (A22NE-PD/A22NE-P)/Screw Terminal Block types (A22E)

Hole Plug

Round A22Z-3530

A22NE-PD / A22NE-P / A22E Dimensions 57

30-dia. Resin Attachment

A22Z-A30

A22NE-PD / A22NE-P / A22E Dimensions 58

Legend Plates for Emergency Stop

A22Z-3476-1 (90 dia.)

A22NE-PD / A22NE-P / A22E Dimensions 59

A22Z-3466-1 (60 dia.)

A22NE-PD / A22NE-P / A22E Dimensions 60

A22Z-3466-2 (60 dia.)

A22NE-PD / A22NE-P / A22E Dimensions 61

Lock Ring

A22Z-3360

A22NE-PD / A22NE-P / A22E Dimensions 63

Material: Nickel plated on iron

25-dia. Ring

A22Z-R25

A22NE-PD / A22NE-P / A22E Dimensions 65

Material: NBR (black)

Tightening Tool

A22Z-3905

A22NE-PD / A22NE-P / A22E Dimensions 66

Rubber Packing

A22Z-R

A22NE-PD / A22NE-P / A22E Dimensions 67

Connector

A22Z-3500

A22NE-PD / A22NE-P / A22E Dimensions 68

Common E-stop Shrouds

A22Z-EG1, A22Z-EG1-W, A22Z-EG10, A22Z-EG10-W

A22NE-PD / A22NE-P / A22E Dimensions 69

E-stop Shrouds

A22Z-EG2, A22Z-EG21, A22Z-EG22

A22NE-PD / A22NE-P / A22E Dimensions 70

E-stop Shroud

A22Z-EG3

A22NE-PD / A22NE-P / A22E Dimensions 71