Page top

A3P

Lighted Pushbutton Switches

A3P

Large Rectangular-bodied Lighted Pushbutton Switches

(Unit: mm)

The Dimension shows switch output 2c.

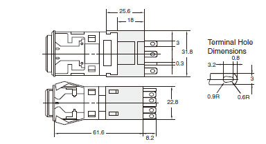
A3PJ (Rectangular) Models

A3P Dimensions 2

A3PA (Square) Models

A3P Dimensions 3

A3PT (Round) Models

A3P Dimensions 4

Note: The thickness of tab terminals #110 and solder terminals is 0.5 mm.

Panel Cutout

(If using a Switch Guard or Seal Cover, refer to the panel cutout diagrams on Data Sheet.)

A3PJ (Rectangular) Models

A3P Dimensions 7

Note: 1. n: Number of Units
           2. Recommended panel thickness: 1 to 5 mm
           3. Mount the panel before mounting the Switch Guard.
           4. If the panel is to be finished (e.g., coated), make sure that the panel meets the specified dimensions after the
                coating.

A3PA (Square) Models

A3P Dimensions 8

Note: 1. n: Number of Units
           2. Recommended panel thickness: 1 to 5 mm
           3. Mount the panel before mounting the Switch Guard.
           4. If the panel is to be finished (e.g., coated), make sure that the panel meets the specified dimensions after the
                coating.

A3PT (Round) Models

A3P Dimensions 9

Note: 1. Recommended panel thickness: 1 to 5 mm
           2. If the panel is to be finished (e.g., coated), make sure that the panel meets the specified dimensions after the
                coating.

Accessory Mounting Dimensions

Legend Plate

Rectangular Models
A3PJ-5201/-5202

A3P Dimensions 12

Square Models
A3PA-5201/-5202

A3P Dimensions 13

Extractor

A3PJ-5080

A3P Dimensions 15

Socket-mounting Dimensions

Rectangular Models A3PJ (M2PJ)

Wire-wrap Terminal
A3PJ-4101

A3P Dimensions 18

PCB Terminal
A3PJ-4102

A3P Dimensions 19

Solder Terminal
A3PJ-4103

A3P Dimensions 20

Square Models A3PA (M2PA)

Wire-wrap Terminal
A3PA-4101

A3P Dimensions 22

PCB Terminal
A3PA-4102

A3P Dimensions 23

Solder Terminal
A3PA-4103

A3P Dimensions 24

Note: PCB cutout dimensions show the switch mounted to the socket with the OMRON logo facing down.

Switch and Guard Mounting Dimensions

Rectangular Models
A3PJN-5050 (Horizontal Mounting)
A3PJN-5055 (Vertical Mounting)

A3P Dimensions 27

Square Models
A3PAN-5050 (Horizontal Mounting)
A3PAN-5055 (Vertical Mounting)

A3P Dimensions 28

Seal Cover Mounting Dimensions

Rectangular Models
A3PJ-5060

A3P Dimensions 30

Square Models
A3PA-5060

A3P Dimensions 31

Note: 1. Recommended panel thickness: 1 to 5 mm
           2. Unless otherwise specified, a tolerance of ± 0.4 mm applies to all dimensions.