Page top

R88M-K, R88D-KN[]-ECT

G5 Series AC Servomotor/Servo Drives with built-in EtherCAT Communications

R88M-K, R88D-KN[]-ECT

The G5 series has a direct connection to the NJ controller via EtherCAT. Customers can design faster, more advanced machine automation control systems.

(Unit: mm)

AC Servo Drives

<Wall Mounting>

Single-phase 100 VAC R88D-KNA5L-ECT/-KN01L-ECT (50 to 100 W)
Single-phase/Three-phase 200 VAC R88D-KN01H-ECT/-KN02H-ECT (100 to 200 W)

R88M-K, R88D-KN[]-ECT Dimensions 3

Single-phase 100 VAC R88D-KN02L-ECT (200 W)
Single-phase/Three-phase 200 VAC R88D-KN04H-ECT (400 W)

R88M-K, R88D-KN[]-ECT Dimensions 4

Single-phase 100 VAC R88D-KN04L-ECT (400 W)
Single-phase/Three-phase 200 VAC R88D-KN08H-ECT (750 W)

R88M-K, R88D-KN[]-ECT Dimensions 5

Single-phase/Three-phase 200 VAC R88D-KN10H-ECT/-KN15H-ECT (900 W to 1.5 kW)

R88M-K, R88D-KN[]-ECT Dimensions 6

Three-phase 200 VAC R88D-KN20H-ECT (2 kW)

R88M-K, R88D-KN[]-ECT Dimensions 7

Three-phase 200 VAC R88D-KN30H-ECT/-KN50H-ECT (3 to 5 kW)

R88M-K, R88D-KN[]-ECT Dimensions 8

Three-phase 200 VAC R88D-KN75H-ECT (7.5 kW)

R88M-K, R88D-KN[]-ECT Dimensions 9

Three-phase 200 VAC R88D-KN150H-ECT (15 kW)

R88M-K, R88D-KN[]-ECT Dimensions 10

Three-phase 400 VAC R88D-KN06F-ECT/-KN10F-ECT (600 W to 1.0 kW)
Three-phase 400 VAC R88D-KN15F-ECT (1.5 kW)

R88M-K, R88D-KN[]-ECT Dimensions 11

Three-phase 400 VAC R88D-KN20F-ECT (2 kW)

R88M-K, R88D-KN[]-ECT Dimensions 12

Three-phase 400 VAC R88D-KN30F-ECT/-KN50F-ECT (3 to 5 kW)

R88M-K, R88D-KN[]-ECT Dimensions 13

Three-phase 200 VAC R88D-KN75H-ECT (7.5 kW)

R88M-K, R88D-KN[]-ECT Dimensions 14 R88D-KN75H-ECT_Dim

Three-phase 400 VAC R88D-KN150F-ECT (15 kW)

R88M-K, R88D-KN[]-ECT Dimensions 15

AC Servomotors

Note:The standard models have a straight shaft. A model with a key and tap is indicated by adding "S2" to the end of the
         model number.
         Models with an oil seal are indicated with O at the end of the model number. The motor dimensions do not change.

<Cylinder type>

3,000 r/min Servomotors (100/200 VAC)

50 W/100 W

Without brake 
R88M-K05030H(-S2)/-K10030[](-S2) [INC] 
R88M-K05030T(-S2)/-K10030[](-S2) [ABS]

R88M-K, R88D-KN[]-ECT Dimensions 20

With brake 
R88M-K05030H-B(S2)/-K10030[]-B(S2) [INC] 
R88M-K05030T-B(S2)/-K10030[]-B(S2) [ABS]

R88M-K, R88D-KN[]-ECT Dimensions 21

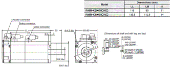
200 W/400 W

Without brake 
R88M-K20030[](-S2)/-K40030[](-S2) [INC] 
R88M-K20030[](-S2)/-K40030[](-S2) [ABS]

R88M-K, R88D-KN[]-ECT Dimensions 23

With brake 
R88M-K20030[]-B(S2)/-K40030[]-B(S2) [INC] 
R88M-K20030[]-B(S2)/-K40030[]-B(S2) [ABS]

R88M-K, R88D-KN[]-ECT Dimensions 24

750 W

Without brake
R88M-K75030H(-S2) [INC]
R88M-K75030T(-S2) [ABS]

R88M-K, R88D-KN[]-ECT Dimensions 26

With brake
R88M-K75030H-B(S2) [INC]
R88M-K75030T-B(S2) [ABS]

R88M-K, R88D-KN[]-ECT Dimensions 27

1 kW/1.5 kW/2 kW

Without brake
R88M-K1K030H(-S2)/-K1K530H(-S2)/-K2K030H(-S2) [INC]
R88M-K1K030T(-S2)/-K1K530T(-S2)/-K2K030T(-S2) [ABS]


With brake
R88M-K1K030H-B(S2)/-K1K530H-B(S2)/-K2K030H-B(S2) [INC]
R88M-K1K030T-B(S2)/-K1K530T-B(S2)/-K2K030T-B(S2) [ABS]

R88M-K, R88D-KN[]-ECT Dimensions 29

3 kW

Without brake 
R88M-K3K030H(-S2) [INC] 
R88M-K3K030T(-S2) [ABS] 

With brake 
R88M-K3K030H-B(S2) [INC] 
R88M-K3K030T-B(S2) [ABS]

R88M-K, R88D-KN[]-ECT Dimensions 31

4 kW/5 kW

R88M-K, R88D-KN[]-ECT Dimensions 33

Without brake 
R88M-K4K030H(-S2)/-K5K030H(-S2) [INC] 
R88M-K4K030T(-S2)/-K5K030T(-S2) [ABS] 

With brake 
R88M-K4K030H-B(S2)/-K5K030H-B(S2) [INC] 
R88M-K4K030T-B(S2)/-K5K030T-B(S2) [ABS]

3,000 r/min Servomotors (400 VAC)

750 W/1 kW/1.5 kW/2 kW

Without brake
R88M-K75030F(-S2)/-K1K030F(-S2)/-K1K530F(-S2)/-K2K030F(-S2) [INC]
R88M-K75030C(-S2)/-K1K030C(-S2)/-K1K530C(-S2)/-K2K030C(-S2) [ABS]


With brake
R88M-K75030F-B(S2)/-K1K030F-B(S2)/-K1K530F-B(S2)/-K2K030F-B(S2) [INC]
R88M-K75030C-B(S2)/-K1K030C-B(S2)/-K1K530C-B(S2)/-K2K030C-B(S2) [ABS]

R88M-K, R88D-KN[]-ECT Dimensions 36

3 kW

Without brake 
R88M-K3K030F(-S2) [INC] 
R88M-K3K030C(-S2) [ABS] 

With brake 
R88M-K3K030F-B(S2) [INC] 
R88M-K3K030C-B(S2) [ABS]

R88M-K, R88D-KN[]-ECT Dimensions 38

4 kW/5 kW

Without brake 
R88M-K4K030F(-S2)/-K5K030F(-S2) [INC] 
R88M-K4K030C(-S2)/-K5K030C(-S2) [ABS] 

With brake 
R88M-K4K030F-B(S2)/-K5K030F-B(S2) [INC] 
R88M-K4K030C-B(S2)/-K5K030C-B(S2) [ABS]

R88M-K, R88D-KN[]-ECT Dimensions 40

1,500r/min, 2,000 r/min Servomotors (200 VAC)

1 kW/1.5 kW/2 kW/3 kW

Without brake
R88M-K1K020H(-S2)/-K1K520H(-S2)/-K2K020H(-S2)/-K3K020H(-S2) [INC]
R88M-K1K020T(-S2)/-K1K520T(-S2)/-K2K020T(-S2)/-K3K020T(-S2) [ABS]


With brake
R88M-K1K020H-B(S2)/-K1K520H-B(S2)/-K2K020H-B(S2)/-K3K020H-B(S2) [INC]
R88M-K1K020T-B(S2)/-K1K520T-B(S2)/-K2K020T-B(S2)/-K3K020T-B(S2) [ABS]

R88M-K, R88D-KN[]-ECT Dimensions 43

4 kW/5 kW

Without brake 
R88M-K4K020H(-S2)/-K5K020H(-S2) [INC] 
R88M-K4K020T(-S2)/-K5K020T(-S2) [ABS] 

With brake 
R88M-K4K020H-B(S2)/-K5K020H-B(S2) [INC] 
R88M-K4K020T-B(S2)/-K5K020T-B(S2) [ABS]

R88M-K, R88D-KN[]-ECT Dimensions 45

7.5 kW

Without brake
R88M-K7K515T(-S2) [ABS]


With brake
R88M-K7K515T-B(S2) [ABS]

R88M-K, R88D-KN[]-ECT Dimensions 47

11 kW/15 kW

Without brake
R88M-K11K015T(-S2)/-K15K015T(-S2) [ABS]


With brake
R88M-K11K015T-B(S2)/R88M-K15K015T-B(S2) [ABS]

R88M-K, R88D-KN[]-ECT Dimensions 49

1,500 r/min, 2,000 r/min Servomotors (400 VAC)

400 W/600 W

R88M-K, R88D-KN[]-ECT Dimensions 52

Without brake 
R88M-K40020F(-S2)/-K60020F(-S2) [INC] 
R88M-K40020C(-S2)/-K60020C(-S2) [ABS] 

With brake 
R88M-K40020F-B(S2)/-K60020F-B(S2) [INC] 
R88M-K40020C-B(S2)/-K60020C-B(S2) [ABS]

1 kW/1.5 kW/2 kW/3 kW

Without brake
R88M-K1K020F(-S2)/-K1K520F(-S2)/-K2K020F(-S2)/-K3K020F(-S2) [INC]
R88M-K1K020C(-S2)/-K1K520C(-S2)/-K2K020C(-S2)/-K3K020C(-S2) [ABS]


With brake
R88M-K1K020F-B(S2)/-K1K520F-B(S2)/-K2K020F-B(S2)/-K3K020F-B(S2) [INC]
R88M-K1K020C-B(S2)/-K1K520C-B(S2)/-K2K020C-B(S2)/-K3K020C-B(S2) [ABS]

R88M-K, R88D-KN[]-ECT Dimensions 54

4 kW/5 kW

Without brake
R88M-K4K020F(-S2)/-K5K020F(-S2) [INC]
R88M-K4K020C(-S2)/-K5K020C(-S2) [ABS]

With brake
R88M-K4K020F-B(S2)/-K5K020F-B(S2) [INC]
R88M-K4K020C-B(S2)/-K5K020C-B(S2) [ABS]

R88M-K, R88D-KN[]-ECT Dimensions 56

7.5 kW

Without brake
R88M-K7K515C(-S2) [ABS]


With brake
R88M-K7K515C-B(S2) [ABS]

R88M-K, R88D-KN[]-ECT Dimensions 58

11 kW/15 kW

Without brake
R88M-K11K015C(-S2)/-K15K015C(-S2) [ABS]


With brake
R88M-K11K015C-B(S2)/R88M-K15K015C-B(S2) [ABS]

R88M-K, R88D-KN[]-ECT Dimensions 60

1,000 r/min Servomotors (200 VAC)

900 W

Without brake
R88M-K90010H(-S2) [INC]
R88M-K90010T(-S2) [ABS]

With brake
R88M-K90010H-B(S2) [INC]
R88M-K90010T-B(S2) [ABS]

R88M-K, R88D-KN[]-ECT Dimensions 63

2 kW/3 kW

Without brake 
R88M-K2K010H(-S2)/-K3K010H(-S2) [INC] 
R88M-K2K010T(-S2)/-K3K010T(-S2) [ABS] 

With brake 
R88M-K2K010H-B(S2)/-K3K010H-B(S2) [INC] 
R88M-K2K010T-B(S2)/-K3K010T-B(S2) [ABS]

R88M-K, R88D-KN[]-ECT Dimensions 65

4.5 kW

Without brake
R88M-K4K510T(-S2) [ABS]


With brake
R88M-K4K510T-B(S2) [ABS]

R88M-K, R88D-KN[]-ECT Dimensions 67

6 kW

Without brake
R88M-K6K010T(-S2) [ABS]


With brake
R88M-K6K010T-B(S2) [ABS]

R88M-K, R88D-KN[]-ECT Dimensions 69

1,000 r/min Servomotors (400 VAC)

900 W

Without brake 
R88M-K90010F(-S2) [INC] 
R88M-K90010C(-S2) [ABS] 

With brake 
R88M-K90010F-B(S2) [INC] 
R88M-K90010C-B(S2) [ABS]

R88M-K, R88D-KN[]-ECT Dimensions 72

2 kW/3 kW

Without brake 
R88M-K2K010F(-S2)/-K3K010F(-S2) [INC] 
R88M-K2K010C(-S2)/-K3K010C(-S2) [ABS] 

With brake 
R88M-K2K010F-B(S2)/-K3K010F-B(S2) [INC] 
R88M-K2K010C-B(S2)/-K3K010C-B(S2) [ABS]

R88M-K, R88D-KN[]-ECT Dimensions 74

4.5 kW

Without brake
R88M-K4K510C(-S2) [ABS]


With brake
R88M-K4K510C-B(S2) [ABS]

R88M-K, R88D-KN[]-ECT Dimensions 76

6 kW

Without brake
R88M-K6K010C(-S2) [ABS]


With brake
R88M-K6K010C-B(S2) [ABS]

R88M-K, R88D-KN[]-ECT Dimensions 78