Page top

E5AC-T

Programmable Temperature Controller (Digital Controller) (96 × 96 mm)

E5AC-T

96 × 96 mm. Programmable Controllers Join the E5[]C Series! Program up to 256 segments can handle a wide variety of applications.

(Unit: mm)

Controllers

E5AC-T

E5AC-T Dimensions 2

Accessories (Order Separately)

USB-Serial Conversion Cable
E58-CIFQ2

E5AC-T Dimensions 4

Conversion Cable
E58-CIFQ2-E

E5AC-T Dimensions 5

Terminal Covers
E53-COV24 (Three Covers provided.)

E5AC-T Dimensions 6

Waterproof Packing
Y92S-P10 (for DIN 96 × 96)

E5AC-T Dimensions 7

The Waterproof Packing is provided with the Temperature Controller.
Order the Waterproof Packing separately if it becomes lost or damaged.
The degree of protection when the Waterproof Packing is used is IP66.
Also, keep the Port Cover on the front-panel Setup Tool port of the E5EC-T/E5AC-T securely closed.
To maintain an IP66 degree of protection, the Waterproof Packing and the Port Cover for the front-panel Setup Tool port must be periodically replaced because they may deteriorate, shrink, or harden depending on the operating environment.
The replacement period will vary with the operating environment.
Check the required period in the actual application.
Use 3 years or sooner as a guideline.

Setup Tool Port Cover for top panel
Y92S-P7

E5AC-T Dimensions 8

Order this Port Cover separately if the Port Cover on the front-panel Setup Tool port is lost or damaged. The Waterproof Packing must be periodically replaced because it may deteriorate, shrink, or harden depending on the operating environment.

Mounting Adapter
Y92F-51 (Two Adapters provided.)

E5AC-T Dimensions 9

One pair is provided with the Controller.
Order the Mounting Adapter separately if it becomes lost or damaged.

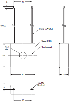
Watertight Cover
Y92A-96N (96 × 96)

E5AC-T Dimensions 10

Current Transformers

E54-CT1

E5AC-T Dimensions 12

E54-CT1L

E5AC-T Dimensions 13

Thru-current (Io) vs. Output Voltage (Eo) (Reference Values)
E54-CT1 or E54-CT1L

E5AC-T Dimensions 14

Maximum continuous heater current: 50 A (50/60 Hz)
Number of windings: 400±2
Winding resistance: 18±2 Ω

E54-CT3

E5AC-T Dimensions 15

E54-CT3 Accessories

E5AC-T Dimensions 16

E54-CT3L

E5AC-T Dimensions 17

Thru-current (Io) vs. Output Voltage (Eo) (Reference Values)
E54-CT3 or E54-CT3L

E5AC-T Dimensions 18

Maximum continuous heater current: 120 A (50/60 Hz)
(Maximum continuous heater current for an OMRON Digital Temperature Controller is 50 A.)
Number of windings: 400±2
Winding resistance: 8±0.8 Ω