Page top

ZC-[]55

Enclosed Switch

ZC-[]55

Small, High-precision Enclosed Switch

(Unit: mm)

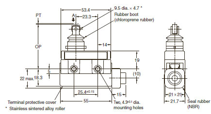
Plunger
ZC-D55

ZC-[]55 Dimensions 1

Panel Mount Plunger
ZC-Q55

ZC-[]55 Dimensions 2

Panel Mount Roller Plunger
ZC-Q2255

ZC-[]55 Dimensions 3

Panel Mount Crossroller Plunger
ZC-Q2155

ZC-[]55 Dimensions 4

Sealed Roller Plunger
ZC-N2255

ZC-[]55 Dimensions 5

Sealed Crossroller Plunger
ZC-N2155

ZC-[]55 Dimensions 6

Short Hinge Roller Lever
ZC-W55

ZC-[]55 Dimensions 7

Hinge Lever
ZC-W155

ZC-[]55 Dimensions 8

Short Hinge Roller Lever
ZC-W255

ZC-[]55 Dimensions 9

Hinge Roller Lever
ZC-W2155

ZC-[]55 Dimensions 10

One-way Action Short Hinge Roller Lever
ZC-W355

ZC-[]55 Dimensions 11

One-way Action Hinge Roller Lever
ZC-W3155

ZC-[]55 Dimensions 12

Note: 1. Unless otherwise specified, a tolerance of ±0.4 mm applies to all dimensions.
           2. Operating characteristics are for when the Switch is operated from direction A.

ZC-[]55 Dimensions 14