Page top

EE-SPX74 / SPX84

Slot-type Photomicrosensor with Connector (Modulated)

EE-SPX74 / SPX84

Photomicrosensor with light modulation for reduced external light interference and a connector for easy maintenance.

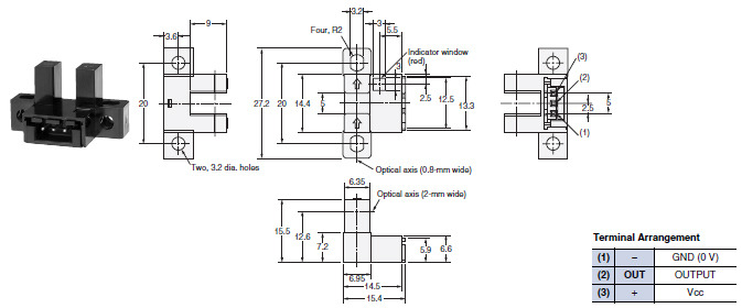
(Unit: mm)

Tolerance class IT16 applies to dimensions in this datasheet unless otherwise specified.

Sensors

EE-SPX740
EE-SPX840

EE-SPX74 / SPX84 Dimensions 3

EE-SPX742
EE-SPX842

EE-SPX74 / SPX84 Dimensions 4

EE-SPX743
EE-SPX843

EE-SPX74 / SPX84 Dimensions 5

EE-SPX741
EE-SPX841

EE-SPX74 / SPX84 Dimensions 6

Accessories (Connector with Cable)

EE-1013

EE-SPX74 / SPX84 Dimensions 8