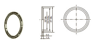
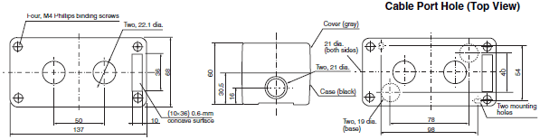
(Unit: mm)
Pushbutton Switch (Cylindrical 22/25-dia.)
             
        
last update: April 1, 2020
(Unit: mm)
 
       
     
       
     
       
    
            Note: Lighted models have the same dimensions as shown above, whether they are with or without Voltage Reduction Units.
* Alternate operation models are 9.3 mm longer.
        
 
       
     
       
     
       
    
            • When applying coating such as paint to the panel, the dimensions should be those after the application of coating.
•Recommended panel thickness: 1 to 5 mm.
•Use an A22Z-R25 Ring when mounting to a panel with 25-mm holes.
        
 
       
     
       
     
       
     
       
     
       
     
       
     
       
     
       
     
       
     
       
     
       
     
       
     
       
     
       
     
       
     
       
     
       
     
       
     
       
     
       
     
       
     
       
     
       
     
       
     
       
     
       
     
       
     
       
     
       
     
       
     
       
    
 
       
     
       
     
       
     
       
    
 
       
     
       
     
       
    last update: April 1, 2020