Page top

D4N

Safety Limit Switch

D4N

Popular Safety Limit Switches Providing a Full Lineup Conforming to International Standards

(Unit: mm)

Note: Unless otherwise specified, a tolerance of ±0.4 mm applies to all dimensions.

Switches

1-conduit Models

Roller Lever (Resin Lever, Resin Roller)
D4N-1[]20 D4N-2[]20
D4N-4[]20 D4N-9[]20 *

D4N Dimensions 4

Roller Lever (Metal Lever, Resin Roller)
D4N-1[]22 D4N-2[]22
D4N-4[]22 D4N-9[]22 *

D4N Dimensions 5

Roller Lever (Metal Lever, Metal Roller)
D4N-1[]25 D4N-2[]25
D4N-4[]25 D4N-9[]25 *

D4N Dimensions 6

Roller Lever (Metal Lever, Bearing Roller)
D4N-1[]26 D4N-2[]26
D4N-4[]26 D4N-9[]26 *

D4N Dimensions 7

* Refer to following diagrams for details on M12 connectors.

Snap-action (1NC/1NO) (2NC), Slow-action (2NC) (3NC)

D4N Dimensions 9

Note: Variation occurs in the simultaneity of contact opening/closing operations of 2NC, 2NC/1NO, and 3NC contacts. Check contact operation.
*1. Only for snap-action models.
*2. Reference value.
*3. For safe use, always make sure that the minimum values or greater are provided.

Slow-action (1NC/1NO) (2NC/1NO)

D4N Dimensions 10

*1. Reference values.
*2. Only for MBB models. (D4N-[]E[][] or D4N-[]F[][])
*3. For safe use, always make sure that the minimum values or greater are provided.

Plunger
D4N-1[]31 D4N-2[]31
D4N-4[]31 D4N-9[]31 *

D4N Dimensions 11

Roller Plunger
D4N-1[]32 D4N-2[]32
D4N-4[]32 D4N-9[]32 *

D4N Dimensions 12

One-way Roller Arm Lever (Horizontal)
D4N-1[]62 D4N-2[]62
D4N-4[]62 D4N-9[]62 *

D4N Dimensions 13

One-way Roller Arm Lever (Vertical)
D4N-1[]72 D4N-2[]72
D4N-4[]72 D4N-9[]72 *

D4N Dimensions 14

* Refer to following diagrams for details on M12 connectors.

Snap-action (1NC/1NO) (2NC), Slow-action (2NC) (3NC)

D4N Dimensions 16

Note: Variation occurs in the simultaneity of contact opening/closing operations of 2NC, 2NC/1NO, and 3NC contacts.
          Check contact operation.
*1. Only for snap-action models.
*2. Reference value.
*3. For safe use, always make sure that the minimum values or greater are provided.

Slow-action (1NC/1NO) (2NC/1NO)

D4N Dimensions 17

*1. Reference values.
*2. Only for MBB models. (D4N-[]E[][] or D4N-[]F[][])
*3. For safe use, always make sure that the minimum values or greater are provided.

Adjustable Roller Lever, Form Lock (with Metal Lever, Resin Roller)
D4N-1[]2G D4N-2[]2G
D4N-4[]2G D4N-9[]2G *

D4N Dimensions 18

Adjustable Roller Lever, Form Lock (with Metal Lever, Rubber Roller)
D4N-1[]2H D4N-2[]2H
D4N-4[]2H D4N-9[]2H *

D4N Dimensions 19

* Refer to following diagrams for details on M12 connectors.

Snap-action (1NC/1NO) (2NC), Slow-action (2NC) (3NC)

D4N Dimensions 21

Note: Variation occurs in the simultaneity of contact opening/closing operations of 2NC, 2NC/1NO, and 3NC contacts. Check contact operation.
*1. The operating characteristics of these Switches were measured with the roller lever set at 32 mm.
*2. Only for snap-action models.
*3. Reference value.
*4. For safe use, always make sure that the minimum values or greater are provided.

Slow-action (1NC/1NO) (2NC/1NO)

D4N Dimensions 22

*1. The operating characteristics of these Switches were measured with the roller lever set at 32 mm.
*2. Reference values.
*3. Only for MBB models. (D4N-[]E[][] or D4N-[]F[][])
*4. For safe use, always make sure that the minimum values or greater are provided.

1-conduit M12 Connector
D4N-9[][][]

D4N Dimensions 23

Fork Lever Lock (Right Operation) *2
D4N-2[]RE
D4N-4[]RE

D4N Dimensions 24

Fork Lever Lock (Left Operation) *2
D4N-2[]LE
D4N-4[]LE

D4N Dimensions 25

Cat Whisker *2
D4N-2[]80
D4N-4[]80

D4N Dimensions 26

Plastic Rod *2
D4N-2[]87
D4N-4[]87

D4N Dimensions 27

*1. The usable range for stainless steel wires and resin rods is 35 mm max. from the end with a total travel of 70 mm
       max.
*2. In terms of construction, the Switch is a General-purpose Limit Switch rather than a Safety Limit Switch.

Slow-action (1NC/1NO) (2NC/1NO) (2NC) (3NC)

D4N Dimensions 29

Note: Variation occurs in the simultaneity of contact opening/closing operations of 2NC, 2NC/1NO, and 3NC contacts. Check contact operation.

Snap-action (1NC/1NO) (2NC), Slow-action (2NC) (3NC)

D4N Dimensions 30

2-conduit Models

Roller Lever (Resin Lever, Resin Roller)
D4N-6[]20
D4N-8[]20

D4N Dimensions 32

Roller Lever (Metal Lever, Resin Roller)
D4N-6[]22
D4N-8[]22

D4N Dimensions 33

Plunger
D4N-6[]31
D4N-8[]31

D4N Dimensions 34

Roller Plunger
D4N-6[]32
D4N-8[]32

D4N Dimensions 35

Snap-action (1NC/1NO) (2NC), Slow-action (2NC) (3NC)

D4N Dimensions 36

Note: Variation occurs in the simultaneity of contact opening/closing operations of 2NC, 2NC/1NO, and 3NC contacts. Check contact operation.
*1. Only for snap-action models.
*2. Reference value.
*3. For safe use, always make sure that the minimum values or greater are provided.

Slow-action (1NC/1NO) (2NC/1NO)

D4N Dimensions 37

*1. Reference values.
*2. Only for MBB models. (D4N-[]E[][] or D4N-[]F[][])
*3. For safe use, always make sure that the minimum values or greater are provided.

One-way Roller Arm Lever (Horizontal)
D4N-6[]62
D4N-8[]62

D4N Dimensions 38

One-way Roller Arm Lever (Vertical)
D4N-6[]72
D4N-8[]72

D4N Dimensions 39

Adjustable Roller Lever, Form Lock (with Metal Lever, Resin Roller)
D4N-6[]2G
D4N-8[]2G

D4N Dimensions 40

Adjustable Roller Lever, Form Lock (with Metal Lever, Rubber Roller)
D4N-6[]2H
D4N-8[]2H

D4N Dimensions 41

Snap-action (1NC/1NO) (2NC), Slow-action (2NC) (3NC)

D4N Dimensions 42

Note: Variation occurs in the simultaneity of contact opening/closing operations of 2NC, 2NC/1NO, and 3NC contacts. Check contact operation.
*1. The operating characteristics of these Switches were measured with the roller lever set at 30 mm.
*2. The operating characteristics of these Switches were measured with the roller lever set at 31 mm.
*3. Only for snap-action models.
*4. Reference value.
*5. For safe use, always make sure that the minimum values or greater are provided.

Slow-action (1NC/1NO) (2NC/1NO)

D4N Dimensions 43

*1. The operating characteristics of these Switches were measured with the roller lever set at 30 mm.
*2. The operating characteristics of these Switches were measured with the roller lever set at 31 mm.
*3. Reference values.
*4. Only for MBB models. (D4N-[]E[][] or D4N-[]F[][])
*5. For safe use, alw

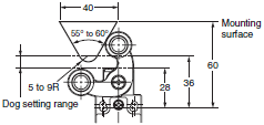
Levers

Refer to the following for the angles and positions of the watchdogs (source: EN50047.)

Roller Lever
(D4N-[][]20)

D4N Dimensions 45

Adjustable Roller Lever, Form Lock (with Metal Lever, Resin Roller)
(D4N-[][]2G) (Reference Values)

D4N Dimensions 46

Adjustable Roller Lever, Form Lock (with Metal Lever, Rubber Roller)
(D4N-[][]2H) (Reference Values)

D4N Dimensions 47

Sealed Plunger
(D4N-[][]31)

D4N Dimensions 48

Roller Plunger
(D4N-[][]32)

D4N Dimensions 49

One-way Roller Arm Lever (Horizontal)
(D4N-[][]62)

D4N Dimensions 50

One-way Roller Arm Lever (Vertical) (Reference Values)
(D4N-[][]72)

D4N Dimensions 51

Fork Lever Lock (Right Operation)
(D4N-[][]RE)

D4N Dimensions 52

Fork Lever Lock (Left Operation)
(D4N-[][]LE)

D4N Dimensions 53