Page top

SC

Limit Switch Connectors

SC

Connectors for Limit switches to secure watertightness of the edges of the conduits.

(Unit: mm)

Connectors for Cabtire Cable

As for models without an O-ring, please use sealing tape with SC Connectors.

Metal Models without O-ring

SC-21 to 25

SC Dimensions 2

Metal Models with O-ring

SC-1M to 5M

SC Dimensions 3

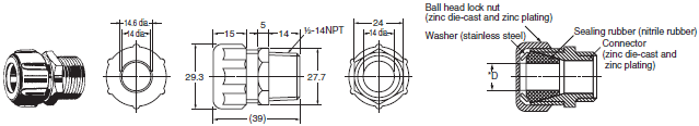
Metal Models without O-ring
½-14NPT
(U.S.-standard screws)
SC-1PT to 5PT

SC Dimensions 4

Note: Dimensions not shown in the above diagrams have a variation of ±0.4 mm.

Simple Connectors

(Not Suitable for Locations Subject to Oil or Water)

Resin Models

SC-P2

SC Dimensions 7

Resin Models
Pg13.5
SC-P3

SC Dimensions 8

Resin Models

SC-6

SC Dimensions 9

Note: Dimensions not shown in the above diagrams have a variation of ±0.4 mm.

* Diameter of Part Marked with Asterisk

SC Dimensions 11

SC-2F

SC Dimensions 12

SC-2FAD

SC Dimensions 13

SC-4F4AD

SC Dimensions 14

SC-4F4D

SC Dimensions 15

Note: 1. Each dimension has a tolerance of ±0.4 mm unless otherwise specified.
           2. Figures in parentheses are connector pin numbers.