Page top

A22NK

Key-type Selector Switches

A22NK

22-mm dia. Key-type Selector Switches. Control panel miniaturization through a more compact design and modified wiring direction. Addition of Push-In Plus terminal blocks for easy wiring.

(Unit: mm)

Lighted and Non-lighted Key-type Selection Switches

Two-position Switches with Plastic Bezels

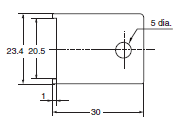
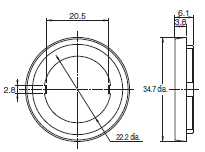
A22NK-2B[]-01[]A-G

A22NK Dimensions 2

A22NK-2B[]-01[]A-P

A22NK Dimensions 3

Three-position Switches with Plastic Bezels

A22NK-3B[]-01[]A-G

A22NK Dimensions 4

A22NK-3B[]-01[]A-P

A22NK Dimensions 5

Two-position Switches with Brushed Metal Bezels

A22NK-2M[]-01[]A-G

A22NK Dimensions 6

A22NK-2M[]-01[]A-P

A22NK Dimensions 7

Three-position Switches with Brushed Metal Bezels

A22NK-3M[]-01[]A-G

A22NK Dimensions 8

A22NK-3M[]-01[]A-P

A22NK Dimensions 9

Depth with Linked Units

(Screw terminal block type)

A22NK Dimensions 10

Depth when a double-contact unit is mounted

(Push-In Plus terminal block type)

A22NK Dimensions 11

Subassemblies (Common)

Mounting Collar

A22NZ-H-01

A22NK Dimensions 13

Screw terminal block

Contact Blocks

A22NZ-S-G1[]

A22NK Dimensions 15

Push-In Plus Terminal Blocks

Contact Blocks (Single Contact)

A22NZ-S-P1[]

A22NK Dimensions 17

Contact Blocks (Double Contact)

A22NZ-S-P2[]

A22NK Dimensions 18

Accessories and Tools

Protective Cover

A22NZ-A303

A22NK Dimensions 20

Plastic Hole Plug

A22NZ-A-401

A22NK Dimensions 21

Metal Hole Plug

A22NZ-A-402

A22NK Dimensions 22

Lock Ring

A22NZ-A-403

A22NK Dimensions 23

Lock Ring

A22NZ-A-50501

A22NK Dimensions 24

Reinforcement Plate

A22NZ-A-C01

A22NK Dimensions 25

Control Box

A22NZ-A-B101
A22NZ-A-B101Y

A22NK Dimensions 26

Control Box (2 holes)

A22NZ-A-B102

A22NK Dimensions 27

Control Box (3 holes)

A22NZ-A-B103

A22NK Dimensions 28

Control Box

A22NZ-A-B201
A22NZ-A-B01Y

A22NK Dimensions 29

Control Box (2 holes)

A22NZ-A-B202

A22NK Dimensions 30

Control Box (3 holes)

A22NZ-A-B203

A22NK Dimensions 31

Sealing cap

For Flat Models A22Z-3600F

A22NK Dimensions 32

For projection models A22Z-3600T

A22NK Dimensions 33

For full-guard models A22Z-3600G

A22NK Dimensions 34

Resin Attachment for 30 dia.

A22Z-A30

A22NK Dimensions 35

Legend Plate Frames

General A22NZ-A-50103

A22NK Dimensions 36

Large A22NZ-A-51103

A22NK Dimensions 37

Legend Plates

General A22Z-3443[]-[]

A22NK Dimensions 38

Large A22Z-3453[]

A22NK Dimensions 39

Tightening Wrench

A22NZ-A-301

A22NK Dimensions 40

LED Lamp Extractor

A22NZ-A-302

A22NK Dimensions 41

Cap Tightening Wrench

A22Z-3908

A22NK Dimensions 42