Page top

M22N

Indicators

M22N

22-mm dia. Indicators. Control panel miniaturization through a more compact design and modified wiring direction. Addition of Push-In Plus terminal blocks for easy wiring.

(Unit: mm)

Indicators

Plastic Flat Indicators

M22N-BN-[][]A-[][]

M22N Dimensions 2

M22N-BN-[][]A-[][]-P

M22N Dimensions 3

Plastic Semi-spherical Indicators

M22N-BG-[][]A-[][]

M22N Dimensions 4

M22N-BG-[][]A-[][]-P

M22N Dimensions 5

Plastic Projected Indicators

M22N-BP-[][]A-[][]

M22N Dimensions 6

M22N-BP-[][]A-[][]-P

M22N Dimensions 7

Plastic Flat Etched Indicators

M22N-BC-[][]A-[][]

M22N Dimensions 8

M22N-BC-[][]A-[][]-P

M22N Dimensions 9

Accessories and Tools

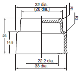
Protective Cover

A22NZ-A303

M22N Dimensions 11

Plastic Hole Plug

A22NZ-A-401

M22N Dimensions 12

Metal Hole Plug

A22NZ-A-402

M22N Dimensions 13

Lock Ring

A22NZ-A-403

M22N Dimensions 14

Lock Ring

A22NZ-A-50501

M22N Dimensions 15

Reinforcement Plate

A22NZ-A-C01

M22N Dimensions 16

Control Box

A22NZ-A-B101
A22NZ-A-B101Y

M22N Dimensions 17

Control Box (2 holes)

A22NZ-A-B102

M22N Dimensions 18

Control Box (3 holes)

A22NZ-A-B103

M22N Dimensions 19

Control Box

A22NZ-A-B201
A22NZ-A-B01Y

M22N Dimensions 20

Control Box (2 holes)

A22NZ-A-B202

M22N Dimensions 21

Control Box (3 holes)

A22NZ-A-B203

M22N Dimensions 22

Sealing cap

For Flat Models A22Z-3600F

M22N Dimensions 23

For projection models A22Z-3600T

M22N Dimensions 24

For full-guard models A22Z-3600G

M22N Dimensions 25

Resin Attachment for 30 dia.

A22Z-A30

M22N Dimensions 26

Legend Plate Frames

General A22NZ-A-50103

M22N Dimensions 27

Large A22NZ-A-51103

M22N Dimensions 28

Legend Plates

General A22Z-3443[]-[]

M22N Dimensions 29

Large A22Z-3453[]

M22N Dimensions 30

Tightening Wrench

A22NZ-A-301

M22N Dimensions 31

LED Lamp Extractor

A22NZ-A-302

M22N Dimensions 32

Cap Tightening Wrench

A22Z-3908

M22N Dimensions 33