Page top

D4BL

Guard Lock Safety-door Switch

D4BL

Die-cast aluminum body Key holding force of 700 N

(Unit: mm)

Switches

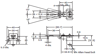
D4BL-[][]R[]-[]

D4BL Dimensions 2

D4BL-2GRD-AT

D4BL Dimensions 3

Note: 1. Unless otherwise specified, a tolerance of ±0.4 mm applies to all dimensions.
           2. There are fluctuations in the contact ON/OFF timing for 2NC contacts. Confirm performance before application.

Accessory

M20-to-1/2-14NPT conversion adapter for D4BL-4[][][]-NPT

D4BL Dimensions 6

Operation Keys

D4BL-K1

D4BL Dimensions 8

D4BL-K2

D4BL Dimensions 9

D4BL-K3

D4BL Dimensions 10

With Operation Key Inserted

D4BL + D4BL-K1

D4BL Dimensions 12

D4BL + D4BL-K2

D4BL Dimensions 13

D4BL + D4BL-K3

D4BL Dimensions 14

Note: 1. Unless otherwise specified, a tolerance of ±0.4 mm applies to all dimensions.
           2. In the above diagrams, the Operation Key is inserted from the front.
*1. The insertion radii apply when the rotational center of the Operation Key in on surface A in the figures.
*2. The insertion radii apply when the rotational center of the Operation Key in on the Operation Key installation surface.

Indicator Unit

D4BL Dimensions 16