This section describes the Motion Controller specifications.
Digital I/O Unit
last update: October 20, 2025
This section describes the Motion Controller specifications.
| Item | Specification | |
|---|---|---|
| Enclosure | Mounted in a panel | |
| Grounding Method | Ground to less than 100 Ω. | |
| Operating
Environment |
Ambient Operating Temperature | 0 to 55°C |
| Ambient Operating Humidity | 10% to 95% (with no condensation or icing) | |
| Atmosphere | Must be free of corrosive gases. | |
| Ambient Storage Temperature | -25 to 70°C (with no condensation or icing) | |
| Vibration Resistance | Conforms to IEC 60068-2-6.
5 to 8.4 Hz with 3.5-mm amplitude, 8.4 to 150 Hz, acceleration of 9.8 m/s2 100 min each in X, Y, and Z directions (10 sweeps of 10 min each = 100 min total) |
|
| Shock Resistance | Conforms to IEC 60068-2-27.
147 m/s2, 3 times each in X, Y, and Z directions |
|
| Insulation Resistance | 20 MΩ min. between isolated circuits (at 100 VDC) | |
| Dielectric Strength | 510 VAC between isolated circuits for 1 minute with a leakage
current of 5 mA max. |
|
| Applicable Standards | cULus, EU: EN 61326, RCM, KC | |
| Digital input (NPN/PNP) | Number of inputs | 16 points |
|---|---|---|
| Rated input voltage | 24 VDC | |
| Maximum input voltage | 26.4 VDC | |
| Input current | 3.9 mA typical (24 VDC) | |
| ON voltage/ON current | 15 VDC min./3 mA min. | |
| OFF voltage/OFF current | 5 VDC max./1 mA max. | |
| ON/OFF response time | 20 μs max./400 μs max. | |
| Isolation method | Isolation by Photocoupler (between input and internal circuit) | |
| Circuit configuration | NPN type
![]() |
|
PNP type
![]() |
||
| Connection diagram | NPN type
![]() |
|
PNP type
![]() |
||
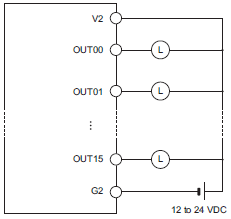
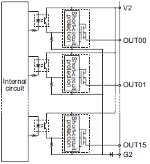
| Digital output (NPN) | Internal common | NPN |
| Rated voltage | 12 to 24 VDC | |
| Current consumption | 40 mA max. | |
| Operating load voltage range | 10.2 to 26.4 VDC | |
| Maximum load current | 0.5 A/point, 2 A/Unit | |
| Maximum inrush current | 4.0 A/point, 10 ms max. | |
| Leakage current | 0.1 mA max. | |
| Residual voltage | 1.0 V max. | |
| ON/OFF response time | 0.1 ms max./0.8 ms max. | |
| Isolation method | Isolation by Photocoupler (between output and internal circuit) | |
| Load short-circuit prevention | Not provided | |
| Circuit configuration | ![]() |
|
| Connection diagram | ![]() |
|
| Digital output (PNP) | Internal common | PNP |
| Rated voltage | 12 to 24 VDC | |
| Current consumption | 80 mA max. | |
| Operating load voltage range | 10.2 to 26.4 VDC | |
| Maximum load current | 0.5 A/point, 2 A/Unit | |
| Maximum inrush current | 4.0 A/point, 10 ms max. | |
| Leakage current | 0.1 mA max. | |
| Residual voltage | 1.0 V max. | |
| ON/OFF response time | 0.1 ms max./0.8 ms max. | |
| Isolation method | Isolation by Photocoupler (between output and internal circuit) | |
| Load short-circuit prevention | Provided | |
| Circuit configuration | ![]() |
|
| Connection diagram | ![]() |
|
| Power consumption | 5 V: 1.0 W max. | |
| Dimensions (height × depth × width) | 90(H)/80(D)/31.6(W) | |
| Weight | 150 g max. | |
last update: October 20, 2025