Page top

J7MC Series

Manual Motor Starter (Motor Protection Circuit Breaker)

J7MC Series

MPCB system, protection from Overload, Phase failure and Short Circuit

(Unit: mm)

Main unit

J7MC-3P-[] (standard type)

J7MC Series Dimensions 1

J7MC-3R-[] (high-performance type)

J7MC Series Dimensions 2

Accessories (Order Separately)

Auxiliary contact unit

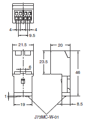
J73MC-W-[]

J7MC Series Dimensions 4

A unit in which the contacts operate in synchronization with the ON/OFF operation of the main unit.
Up to two auxiliary contact units can be mounted on the left and right front panels.

Note: 1. Refer to Catalog for the combinations of accessories that can be mounted simultaneously.

Alarm contact unit

J73MC-K-[]

J7MC Series Dimensions 6

The contacts in this unit operate when the main unit trips due to an overload, phase failure, or short circuit.
(The contacts are not synchronized with ON/OFF operation of the main unit)

Note: 1. Operation can be checked with a test trip.
   2. Refer to Catalog for the combinations of accessories that can be mounted simultaneously.

Insulation stop

Guide for insertion into terminal (insertion) holes to stabilize holding of 1mm2 or less stranded wire (direct insertion).

J77MC-A

J7MC Series Dimensions 9

J77MC-B

J7MC Series Dimensions 10

DIN Rails (Order Separately)

Mounting Rail

PFP-100N
PFP-50N

J7MC Series Dimensions 12

Mounting Rail

PFP-100N2

J7MC Series Dimensions 13

End Plate

PFP-M

J7MC Series Dimensions 14

Spacer

PFP-S

J7MC Series Dimensions 15