Page top

MicroHAWK F430-F / F420-F / F330-F / F320-F

Smart Camera

MicroHAWK F430-F / F420-F / F330-F / F320-F

World’s smallest fully-integrated vision system.

(Unit: mm)

MicroHAWK F430-F

F430-F

MicroHAWK F430-F / F420-F / F330-F / F320-F Dimensions 2

F430-F with Alternate Optics and Illumination

MicroHAWK F430-F / F420-F / F330-F / F320-F Dimensions 3

L Bracket Adjustable Angle Mounting Kit
V430-AM0

MicroHAWK F430-F / F420-F / F330-F / F320-F Dimensions 4

¼-20 Camera Mounting Block Kit
V430-AM1

MicroHAWK F430-F / F420-F / F330-F / F320-F Dimensions 5

4” (102 mm) Ram Mount Stand
V430-AM2

MicroHAWK F430-F / F420-F / F330-F / F320-F Dimensions 6

APG Pan and Tilt Camera Mount
V430-AM3

MicroHAWK F430-F / F420-F / F330-F / F320-F Dimensions 7

MS-4 / MINI to V/F4XX-F Adapter Plate
V430-AM5

MicroHAWK F430-F / F420-F / F330-F / F320-F Dimensions 8

Smart Ring Light to V/F4XX-F Mounting Bracket
V430-AM6

MicroHAWK F430-F / F420-F / F330-F / F320-F Dimensions 9

QX / Vision HAWK to V/F4XX-F Adapter Plate
V430-AM7

MicroHAWK F430-F / F420-F / F330-F / F320-F Dimensions 10

Front Window Installation Kit
V430-AF10 *
Diffuser Installation Kit
V430-AF11 *
Polarizer Installation Kit
V430-AF12 *

MicroHAWK F430-F / F420-F / F330-F / F320-F Dimensions 11
MicroHAWK F430-F / F420-F / F330-F / F320-F Dimensions 12

Right Angle Mirror Installation Kit
V430-AF3

MicroHAWK F430-F / F420-F / F330-F / F320-F Dimensions 13

YAG Laser Filter Window
V430-AF4

Window Material
Polymer

Laser Type
Argon
Broadband
KTP
Nd:YAG

Protection
OD 6+ @ 200-532 nm
OD 4+ @ 850-879 nm
OD 5+ @ 900-1070 nm
The V430-AF4 YAG Laser Filter is used to block a range of wavelengths from a variety of laser types from being seen by the MicroHAWK camera that will either disrupt the cameras view of the object, or damage the MicroHAWK sensor.

The table shows the laser types that are handled by the V430-AF4 Filter window, as well as the level of protection they provide at the various wavelengths.

Note: Optical Density (OD) is a measure of the attenuation of energy passing through a filter. The higher the OD value, the higher the attenuation and the greater the protection level.

OD 4 blocks 99.99% of the laser energy.

OD 5 blocks 99.999% of the laser energy (YAG).

OD 6 blocks 99.9999% of the laser energy (Argon, KTP)

ESD-Safe Window
V430-AF5

An ESD event occurs when an electrostatic charge rapidly transfers between two objects. This transfer is usually caused when two objects with a notable potential difference in electrical charge contact each other. However, ESD events can also happen when two objects close to one another create a highly charged electrostatic field.

ESD safety precautions are extremely important in the electronics and semiconductor industries where sensitive components can be damaged even by a discharge of a mere 20 volts. Less sensitive components may still be susceptible, and cumulative discharges can create long-term problems affecting the functionality and performance of electronic components.

The MicroHAWK V430-AF5 ESD-Safe window is designed with an ESD coating on the exterior surface to prevent static discharge between the camera or smart camera when the camera is deployed close to the component surface. The antistatic coating offers a resistivity of ≤ 1.0 X 10^9 Ω/ sq to prevent these electrostatic discharges.

Red Filter Installation Kit
V430-AF6
Blue Filter Installation Kit
V430-AF7
Red Light Installation Kit
V430-ALR
White Light Installation Kit
V430-ALW
Blue Light Installation Kit
V430-ALB
IR Light Installation Kit
V430-ALI

Red Filter (V430-AF6) and Blue Filter (V430-AF7)

The Red Filter (V430-AF6), and Blue Filter (V430-AF7) are used to turn MicroHAWKs equipped with white lights into units that emit red or blue light. MicroHAWK light color changes can be also be accomplished using the F430-F Red, Blue, White, or IR LED kits.

A typical example of how to use different color filters or LEDs with monochrome cameras is shown below. The emitted color is matched with the color of the part that needs to be emphasized or de-emphasized, which creates sufficient contrast for the part to be inspected or for the symbol to be decoded. In the example below, the red filter makes the reddish copper look bright, while the green circuit board looks dark. The blue filter produces the opposite effect.

MicroHAWK F430-F / F420-F / F330-F / F320-F Dimensions 19

QX-1 Interconnect Module – Power, Trigger, Smart Light Control Breakout
98-000103-02

MicroHAWK F430-F / F420-F / F330-F / F320-F Dimensions 20

QX-1 Photo Sensor, M12 4-Pin Plug, NPN – 2 Meters – Light ON / Dark ON
99-9000016-01

MicroHAWK F430-F / F420-F / F330-F / F320-F Dimensions 21

QX-1 Field-Wireable M12 4-Pin Plug for Any Trigger Source or Photo Sensor – Screw Terminals
98-9000239-01

MicroHAWK F430-F / F420-F / F330-F / F320-F Dimensions 22

Power Supply, 100-240VAC, +24VDC, M12 12-Pin Socket – 1 Meter – U.S. / Euro Plug
97-000012-01

MicroHAWK F430-F / F420-F / F330-F / F320-F Dimensions 23

Omron Microscan Smart Light Series – Integrated Power and Strobe Control Module
See Omron Microscan Smart Light Offering – Ring, DOAL, Large Area Lighting

MicroHAWK F430-F / F420-F / F330-F / F320-F Dimensions 24

Ethernet Communication Cables – Straight Connectors – 1 Meter, 3 Meters, or 5 Meters
M12 Plug on Camera to RJ45 Connector
V430-WE-1M
V430-WE-3M
V430-WE-5M

MicroHAWK F430-F / F420-F / F330-F / F320-F Dimensions 25

Ethernet Communication Cables – Right Angle M12 Connectors – 3 Meters
M12 Plug on Camera to RJ45 Connector
V430-WELU-3M (Right Angle Up)*
V430-WELD-3M (Right Angle Down)*

MicroHAWK F430-F / F420-F / F330-F / F320-F Dimensions 26

Camera to QX-1 Interconnect Cables – 1 Meter, 3 Meters, or 5 Meters
M12 Socket to M12 Plug
QX-1 is used as breakout module for common IO signals and power.
V430-WQ-1M
V430-WQ-3M
V430-WQ-5M

MicroHAWK F430-F / F420-F / F330-F / F320-F Dimensions 27

M12 Socket to M12 Plug, with Power Filter – 300 mm
V430-WQF-1M

MicroHAWK F430-F / F420-F / F330-F / F320-F Dimensions 28

QX-1 M12 to Smart Light Power and Strobe Control Cables – 3 Meters
M12 Plug on QX-1 to 5 Pin Socket on Light
61-000204-01 (Continuous Power)
61-000218-01 (Strobe Control)

MicroHAWK F430-F / F420-F / F330-F / F320-F Dimensions 29

Y Cable, Camera/Power and Smart Light Power (Continuous On) – 1 Meter
61-9000135-01

Y Cable, Camera/Power and Smart Light Strobe Control – 1 Meter
61-9000137-01

MicroHAWK F430-F / F420-F / F330-F / F320-F Dimensions 30

M12 to Flying Leads Cable, Straight Power, IO, RS-232, USB – 3 Meters or 5 Meters
V430-W8-3M
V430-W8-5M

MicroHAWK F430-F / F420-F / F330-F / F320-F Dimensions 31

M12 to Flying Leads Cable, with Power Filter – 3 Meters or 5 Meters
V430-W8F-3M
V430-W8F-5M

MicroHAWK F430-F / F420-F / F330-F / F320-F Dimensions 32

M12 to Flying Leads Cable Right Angle Up Power, IO, RS232, USB – 3 Meters
V430-W8LU-3M

MicroHAWK F430-F / F420-F / F330-F / F320-F Dimensions 33

M12 to Flying Leads Cable Right Angle Up, with Power Filter – 3 Meters
V430-W8LUF-3M

MicroHAWK F430-F / F420-F / F330-F / F320-F Dimensions 34

M12 to Flying Leads Cable Right Angle Down Power, IO, RS232, USB – 3 Meters
V430-W8LD-3M

MicroHAWK F430-F / F420-F / F330-F / F320-F Dimensions 35

M12 to Flying Leads Cable Right Angle Down, with Power Filter – 3 Meters
V430-W8LDF-3M

MicroHAWK F430-F / F420-F / F330-F / F320-F Dimensions 36

M12 to RS-232 Breakout – 1 Meter or 3 Meters
V430-WR-1M
V430-WR-3M

MicroHAWK F430-F / F420-F / F330-F / F320-F Dimensions 37

Camera to QX-1 Interconnect Cables with RS-232 Breakout – 2.7 Meters
V430-WQR-3M

MicroHAWK F430-F / F420-F / F330-F / F320-F Dimensions 38

Camera to QX-1 Interconnect Cables with USB Keyboard Wedge Breakout – 2.7 Meters
V430-WQK-3M

MicroHAWK F430-F / F420-F / F330-F / F320-F Dimensions 39

M12 12-Pin Plug to M12 12-Pin Socket, Right Angle, 3 Meters
61-000148-03

MicroHAWK F430-F / F420-F / F330-F / F320-F Dimensions 40

M12 12-Pin Plug to M12 12-Pin Socket, Right Angle, Alternate Key, 3 Meters
61-000148-04

MicroHAWK F430-F / F420-F / F330-F / F320-F Dimensions 41

M12 12-Pin Plug to M12 12-Pin Socket, Right Angle, 1 Meter
61-000162-03

MicroHAWK F430-F / F420-F / F330-F / F320-F Dimensions 42

M12 12-Pin Plug to M12 12-Pin Socket, Right Angle, Alternate Key, 1 Meter
61-000162-04

MicroHAWK F430-F / F420-F / F330-F / F320-F Dimensions 43

AutoVISION Verification Calibration Card with NIST-Traceable Measurement Report
98-000265-01
98-000265-02

MicroHAWK F430-F / F420-F / F330-F / F320-F Dimensions 44

MicroHAWK F420-F

F420-F

MicroHAWK F430-F / F420-F / F330-F / F320-F Dimensions 46

L Bracket Adjustable Angle Mounting Kit
V430-AM0

MicroHAWK F430-F / F420-F / F330-F / F320-F Dimensions 47

¼-20 Camera Mounting Block Kit
V430-AM1

MicroHAWK F430-F / F420-F / F330-F / F320-F Dimensions 48

4” (102 mm) Ram Mount Stand
V430-AM2

MicroHAWK F430-F / F420-F / F330-F / F320-F Dimensions 49

MS-4 / MINI to V/F4XX-F Adapter Plate
V430-AM5

MicroHAWK F430-F / F420-F / F330-F / F320-F Dimensions 50

Smart Ring Light to V/F4XX-F Mounting Bracket
V430-AM6

MicroHAWK F430-F / F420-F / F330-F / F320-F Dimensions 51

QX / Vision HAWK to V/F4XX-F Adapter Plate
V430-AM7

MicroHAWK F430-F / F420-F / F330-F / F320-F Dimensions 52

Front Window Installation Kit
V430-AF10
Diffuser Installation Kit
V430-AF11
Polarizer Installation Kit
V430-AF12
YAG Filter Installation Kit
V430-AF4
ESD-Safe Window Installation Kit
V430-AF5

MicroHAWK F430-F / F420-F / F330-F / F320-F Dimensions 53

Right Angle Mirror Installation Kit
V430-AF3

MicroHAWK F430-F / F420-F / F330-F / F320-F Dimensions 54

Red Filter Installation Kit
V430-AF6
Blue Filter Installation Kit
V430-AF7
Red Light Installation Kit
V430-ALR
White Light Installation Kit
V430-ALW
Blue Light Installation Kit
V430-ALB
IR Light Installation Kit
V430-ALI

MicroHAWK F430-F / F420-F / F330-F / F320-F Dimensions 55

USB Breakout Cable – 1 Meter
V420-WUB-1M

MicroHAWK F430-F / F420-F / F330-F / F320-F Dimensions 56

Kit – USB Breakout Cable with External Power Input (1 Meter) and Power Supply (2 Meters)
V420-AC1

MicroHAWK F430-F / F420-F / F330-F / F320-F Dimensions 57

Kit – RS-232 Breakout Cable (DB-15) with External Power Input (1 Meter) and Power Supply (2 Meters)
V420-AC0

MicroHAWK F430-F / F420-F / F330-F / F320-F Dimensions 58

Kit – USB, IO, and Power Breakout Cable (1 Meters) and Power Supply (2 Meters)
V420-AC2

MicroHAWK F430-F / F420-F / F330-F / F320-F Dimensions 59

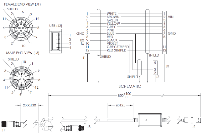
Cable – RS-232, USB, IO, and Power Breakout – 1 Meter
V420-WRU8X-1M

MicroHAWK F430-F / F420-F / F330-F / F320-F Dimensions 60

AutoVISION Verification Calibration Card with NIST-Traceable Measurement Report
98-000265-01
98-000265-02

MicroHAWK F430-F / F420-F / F330-F / F320-F Dimensions 61

MicroHAWK F330-F

F330-F

MicroHAWK F430-F / F420-F / F330-F / F320-F Dimensions 63

Diffuser Kit – Peel and Stick Accessory. Exterior to unit.
V330-AF1

MicroHAWK F430-F / F420-F / F330-F / F320-F Dimensions 64

Polarizer Kit – Peel and Stick Accessory. Exterior to unit.
V330-AF2

MicroHAWK F430-F / F420-F / F330-F / F320-F Dimensions 65

Standard Ethernet Cables, In-Cabinet Use; Standard RJ45 Connectors on Both Ends; Green
XS6W-5PUR8SS100CM-G
XS6W-5PUR8SS300CM-G
XS6W-5PUR8SS500CM-G
XS6W-5PUR8SS1000CM-G
XS6W-5PUR8SS1500CM-G

MicroHAWK F430-F / F420-F / F330-F / F320-F Dimensions 66

Standard Ethernet Cables, Out-of-Cabinet Use; Rugged RJ45 Connectors on Both Ends; Light Blue
XS5W-T421-CMD-K
XS5W-T421-EMD-K
XS5W-T421-GMD-K
XS5W-T421-JMD-K
XS5W-T421-KMD-K

High Flex Ethernet Cables for Robot and Cable Tray Use; Rugged RJ45 Connectors on Both Ends; Light Blue
XS5W-T421-CMD-KR
XS5W-T421-EMD-KR
XS5W-T421-GMD-KR
XS5W-T421-JMD-KR
XS5W-T421-KMD-KR

MicroHAWK F430-F / F420-F / F330-F / F320-F Dimensions 67

AutoVISION Verification Calibration Card with NIST-Traceable Measurement Report
98-000265-01
98-000265-02

MicroHAWK F430-F / F420-F / F330-F / F320-F Dimensions 68

MicroHAWK F320-F

F320-F

MicroHAWK F430-F / F420-F / F330-F / F320-F Dimensions 70

Diffuser Kit – Peel and Stick Accessory. Exterior to unit.
V330-AF1

MicroHAWK F430-F / F420-F / F330-F / F320-F Dimensions 71

Polarizer Kit – Peel and Stick Accessory. Exterior to unit.
V330-AF2

MicroHAWK F430-F / F420-F / F330-F / F320-F Dimensions 72

RJ50 to RS-232 and External Power, Straight – 2 Meters
V320-WRX-2M

MicroHAWK F430-F / F420-F / F330-F / F320-F Dimensions 73

RJ50 to RS-232 and External Power, Right Angle – 2 Meters
V320-WRXLR-2M

MicroHAWK F430-F / F420-F / F330-F / F320-F Dimensions 74

Power Supply for V320-WRX-2M and V320-WRXLR-2M – 2 Meters
97-9000006-01

MicroHAWK F430-F / F420-F / F330-F / F320-F Dimensions 75

RJ50 to Flying Leads, Straight – 3 Meters
V320-W8-3M

MicroHAWK F430-F / F420-F / F330-F / F320-F Dimensions 76

RJ50 to Flying Leads, Right Angle to the Right – 3 Meters
V320-W8LR-3M

MicroHAWK F430-F / F420-F / F330-F / F320-F Dimensions 77

Adapter V/F320-F to all V420-F Cable Accessories, RJ50 to DB-15 – 1 Meter
V320-WR-1M

MicroHAWK F430-F / F420-F / F330-F / F320-F Dimensions 78

Adapter V/F320-F to all V420-F Cable Accessories, Right Angle to the Right, RJ50 to DB-15 – 1 Meter
V320-WRLR-1M

MicroHAWK F430-F / F420-F / F330-F / F320-F Dimensions 79

USB Breakout Cable – 1 Meter
V420-WUB-1M

MicroHAWK F430-F / F420-F / F330-F / F320-F Dimensions 80

Kit – USB Breakout Cable with External Power Input (1 Meter) and Power Supply (2 Meters)
V420-AC1

MicroHAWK F430-F / F420-F / F330-F / F320-F Dimensions 81

Kit – RS-232 Breakout Cable (DB-15) with External Power Input (1 Meter) and Power Supply (2 Meters)
V420-AC0

MicroHAWK F430-F / F420-F / F330-F / F320-F Dimensions 82

Kit – USB, IO, and Power Breakout Cable (1 Meters) and Power Supply (2 Meters)
V420-AC2

MicroHAWK F430-F / F420-F / F330-F / F320-F Dimensions 83

Cable – RS-232, USB, IO, and Power Breakout – 1 Meter
V420-WRU8X-1M

MicroHAWK F430-F / F420-F / F330-F / F320-F Dimensions 84

AutoVISION Verification Calibration Card with NIST-Traceable Measurement Report
98-000265-01
98-000265-02

MicroHAWK F430-F / F420-F / F330-F / F320-F Dimensions 85