Page top

G7SA

Relays with Forcibly Guided Contacts

G7SA

Compact, Slim Relays Conforming to EN Standards

(Unit: mm)

Safety Relay Unit

4 poles
G7SA-3A1B
G7SA-2A2B

G7SA Dimensions 2

6 poles
G7SA-5A1B
G7SA-4A2B
G7SA-3A3B

G7SA Dimensions 3

Options (order separately)

Sockets

Front-mounting Sockets

Push-In Plus terminals 4 poles
P7SA-10F-ND-PU

G7SA Dimensions 6

Push-In Plus terminals 6 poles
P7SA-14F-ND-PU

G7SA Dimensions 7

Accessories for Push-In Plus Sockets

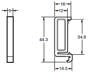
Short Bars (for P7SA-[]F-ND-PU)

XW5S-P2.5-[][]

G7SA Dimensions 9

Front-mounting Sockets

Screw terminals 4 poles
P7SA-10F, P7SA-10F-ND

G7SA Dimensions 10

Screw terminals 6 poles
P7SA-14F, P7SA-14F-ND

G7SA Dimensions 11

Parts for DIN Track Mounting

DIN Track
PFP-100N
PFP-50N

G7SA Dimensions 12

DIN Track
PFP-100N2

G7SA Dimensions 13

End Plate
PFP-M

G7SA Dimensions 14

Spacer
PFP-S

G7SA Dimensions 15

Back-mounting Sockets (for PCB)

PCB terminals 4 poles
P7SA-10P

G7SA Dimensions 16

PCB terminals 6 poles
P7SA-14P

G7SA Dimensions 17