Page top

STC Series (USB3.0 Small Board Camera)

USB3.0 Small Board Camera

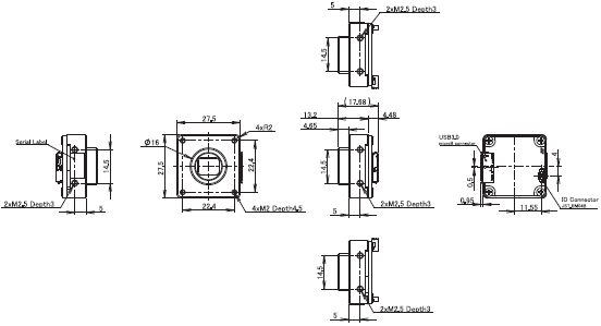
(Unit: mm)

STC-BBS/BCS43U3V
STC-BBS/BCS163U3V
STC-BBS/BCS502U3V
STC-BBS/BCS642U3V
STC-BBS/BCS1242U3V

STC Series (USB3.0 Small Board Camera) Dimensions 1

STC-BBS43U3V-BC
STC-BBS163U3V-BC
STC-BBS502U3V-BC
STC-BBS642U3V-BC
STC-BBS1242U3V-BC

STC Series (USB3.0 Small Board Camera) Dimensions 2

STC-BCS43U3V-BC
STC-BCS163U3V-BC
STC-BCS502U3V-BC
STC-BCS642U3V-BC
STC-BCS1242U3V-BC

STC Series (USB3.0 Small Board Camera) Dimensions 3

STC-BBS43U3V-BCS
STC-BBS163U3V-BCS
STC-BBS502U3V-BCS
STC-BBS642U3V-BCS

STC Series (USB3.0 Small Board Camera) Dimensions 4

STC-BCS43U3V-BCS
STC-BCS163U3V-BCS
STC-BCS502U3V-BCS
STC-BCS642U3V-BCS

STC Series (USB3.0 Small Board Camera) Dimensions 5

STC-BBS/BCS43U3V-BL
STC-BBS/BCS163U3V-BL
STC-BBS/BCS502U3V-BL
STC-BBS/BCS642U3V-BL

STC Series (USB3.0 Small Board Camera) Dimensions 6