Page top

EE-[]

Photomicro Sensors Accessories

EE-[]

Connectors and Connector Hold-down Clips

(Unit: mm)

Tolerance class IT16 applies to dimensions in this datasheet unless otherwise specified.

Photomicrosensor Connectors and Connector Hold-down Clips

Connector

EE-1001

EE-[] Dimensions 3

Connector (short-circuited between positive (+) and L terminals)

EE-1001-1

EE-[] Dimensions 4

Connector with Cable

EE-1006 2M (EE-1006 1M)

EE-[] Dimensions 5

Applicable Photomicrosensors:
EE-SX67[] (A,P,R) (Connector Models only), EE-SX47[], EE-SY67[], EE-SPY31[]/41[], EE-SPX303N/403N

Connector Hold-down Clip

EE-1006A

EE-[] Dimensions 7

(Can be used only with EE-1006 Connectors for the Photomicrosensors listed below.)
Applicable Photomicrosensors: For EE-SX670[], 470[], EE-SY671, and 672 only.

Photomicrosensor Connectors

Connectors

EE-1009

EE-[] Dimensions 10

Connector with Cable/Connector with Robot Cable

EE-1010 2M (EE-1010 1M)
EE-1010-R 2M (EE-1010-R 1M)

EE-[] Dimensions 11

Applicable Photomicrosensors:
EE-SX67[] (A,P,R) (Connector Models only), EE-SX47[], EE-SY67[], EE-SPY31[]/41[], EE-SPX303N/403N

Connector with Robot Cable

EE-1016-R

EE-[] Dimensions 13

Applicable Photomicrosensors: EE-SX95[]-C1J-R

Photomicrosensor Connectors and Connector Hold-down Clips

Connector

EE-1002

EE-[] Dimensions 16

Applicable Photomicrosensors: EE-SPX301/401, EE-SPY30[]/40[]

Connector with Cable

EE-1003

EE-[] Dimensions 18

Cable: 1.61-dia. 1-conductor vinyl-insulated round cable (Conductor cross section: 0.33 mm2).
Applicable Photomicrosensors: EE-SPX301/401, EE-SPY30[]/40[]

Connector Hold-down Clips (For EE-1003 only)

EE-1003A

EE-[] Dimensions 20

Applicable Photomicrosensors: EE-SPX301/401, EE-SPY30[]/40[]

Connector with Cable

EE-1013

EE-[] Dimensions 22

Applicable Photomicrosensors: EE-SPX74[]/84[]

Connector with Cable/Connector with Robot Cable

EE-1017
EE-1017-R

EE-[] Dimensions 24

Applicable Photomicrosensors: EE-SX97[]-C1, EE-SX97[]P-C1

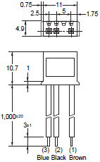
NPN to PNP Transistor Output Conversion Connectors

NPN/PNP Conversion Connector

EE-2001

EE-[] Dimensions 27

Applicable Photomicrosensors: EE-SPX301/401, EE-SPY30[]/40[]

NPN/PNP Conversion Connector

EE-2002 *

EE-[] Dimensions 29

* The EE-SX67[] and EESY67[] do not support Light-ON mode.
Applicable Photomicrosensors:
EE-SX67[]/[]A (Connector Models only), EE-SX47[], EE-SY67[], EE-SPY31[]/41[], EE-SPX303N/403N