Page top
Global
Home
Products
Technical Support
Global Network
About Us
Home
>
Products
>
Product Category
>
Relays
>
General Purpose Relays
>
Special-purpose
>
G9B
G9B
Stepping Relay Unit
Ideal for Controlling Pumps and Production Lines with Six or Twelve Stepping Circuits
Related Contents
Common
Cautions
Technical Guide
Models with Standards Certification
FAQ
General Purpose Relays
Item A to Z Index
Glossary of Industrial Automation
Features
Lineup
Specifications
Dimensions
Catalog
last update: September 24, 2012
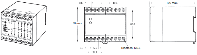
(Unit: mm)
G9B-06
G9B-12
last update: September 24, 2012
Product Category
Relays
General Purpose Relays
Special-purpose
G4Q
G9B
Product Category
Cautions
Item A to Z Index
Correction Notice
Top of Page