Page top

G3ZA

Multi-channel Power Controller

G3ZA

Optimum Cycle Control for High-precision Control with Low Noise

(Unit: mm)

Multi-channel Power Controllers

G3ZA-4H203-FLK-UTU
G3ZA-4H403-FLK-UTU
G3ZA-8A203-FLK-UTU
G3ZA-8A403-FLK-UTU

G3ZA Dimensions 2

Accessories (Order Separately)

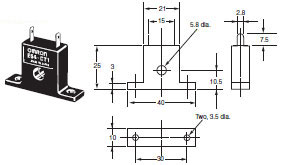
Current Transformer (CT)

E54-CT1

G3ZA Dimensions 5

E54-CT3

G3ZA Dimensions 6

E54-CT3 Accessories

G3ZA Dimensions 7

G3ZA-CT150L

G3ZA Dimensions 8

Note: The G3ZA-CT150L is for use only in combination with the G3ZA (Ver.2.0 or higher).
Wire terminal k and terminal l. (Do not use terminal kt and terminal lt.)
* Do not remove the attached resister.

DIN Track

PFP-100N
PFP-50N

G3ZA Dimensions 10

* Dimension in parentheses are for the PFP-50N.

End Plate (Stopper)

PFP-M

G3ZA Dimensions 12