Page top

V680 Series

RFID System

V680 Series

RFID Systems with ISO/IEC 18000-3 (ISO/IEC15693) Compliance

(Unit: mm)

Tolerance class IT16 applies to dimensions in this datasheet unless otherwise specified.

RF Tag

V680-D1KP52MT/-D2KF52M

V680 Series Dimensions 3

V680-D1KP53M

V680 Series Dimensions 4

V680-D1KP54T

V680 Series Dimensions 5

V680-D1KP66T/-D1KP66MT

V680 Series Dimensions 6

V680-D1KP66T-SP

V680 Series Dimensions 7

V680S-D2KF67/-D2KF67M
V680S-D8KF67/-D8KF67M

V680 Series Dimensions 8

V680S-D2KF68/-D2KF68M
V680S-D8KF68/-D8KF68M

V680 Series Dimensions 9

V680-D1KP58HTN

V680 Series Dimensions 10

V680-D1KP52M-BT01
V680-D2KF52M-BT01

V680 Series Dimensions 11

V680-D1KP52M-BT11
V680-D2KF52M-BT11

V680 Series Dimensions 12

Antenna with Detachable Amplifier Unit

V680-HS52-W

V680 Series Dimensions 14

V680-HS52-R

V680 Series Dimensions 15

V680-HS51

V680 Series Dimensions 16

V680-HS61

V680 Series Dimensions 17

V680-HS63-W

V680 Series Dimensions 18

V680-HS63-R

V680 Series Dimensions 19

V680-HS65-W

V680 Series Dimensions 20

V680-HS65-R

V680 Series Dimensions 21

Antenna with Built-in Amplifier Unit

V680-H01-V2

V680 Series Dimensions 23 V680-H01-V2_Dim

Amplifier Unit

V680-HA63A/-HA63B

V680 Series Dimensions 25

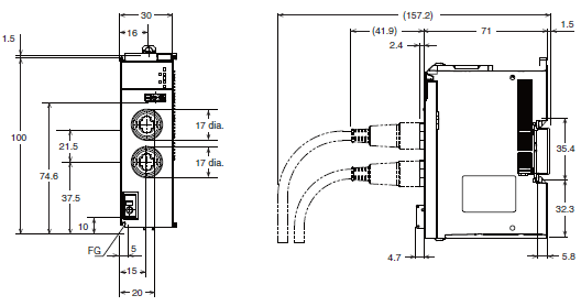
ID Controller

V680-CA5D01-V2/-CA5D02-V2

V680 Series Dimensions 27

RFID Units

NX-V680C1 (One-channel)

V680 Series Dimensions 29

NX-V680C2 (Two-channels)

V680 Series Dimensions 30

ID Sensor Units

CJ1W-V680C11

V680 Series Dimensions 32

CJ1W-V680C12

V680 Series Dimensions 33

CS1W-V680C11

V680 Series Dimensions 34

CS1W-V680C12

V680 Series Dimensions 35

Amplifier-integrated Controller (DeviceNet ID Slave/PROFIBUS ID Slave)

V680-HAM42-DRT

V680 Series Dimensions 37

V680-HAM42-PRT

V680 Series Dimensions 38

Amplifier-integrated Controllers (ID Flag Sensors)

V680-HAM91/-HAM81

V680 Series Dimensions 40

Handheld Reader Writer

V680-CHUD

V680 Series Dimensions 42

V680-CH1D

V680 Series Dimensions 43

V680-CH1D-PSI

V680 Series Dimensions 44

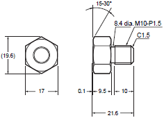
Interface Cables (Sold Separately)

V680-A60 2M/5M/10M

V680 Series Dimensions 46

Note: The connectors are not waterproof.

AC Adapter

V600-A22

V680 Series Dimensions 48

Accessories

V680-D1KP66T Attachments
V600-A86

V680 Series Dimensions 50

V680-D8KF68/-D32KF68 Attachments
V680-A81

V680 Series Dimensions 51

V680-D1KP58HTN Attachments
V680-A80

V680 Series Dimensions 52

V680-D1KP54T Attachments
V700-A80

V680 Series Dimensions 53

Amplifier Unit Special Extension Cable
V700-A40 2M
V700-A41 3M
V700-A42 5M
V700-A43 10M
V700-A44 20M
V700-A45 30M

V680 Series Dimensions 54

V680-H01 Special Cables
V700-A40-W 2M
V700-A40-W 5M
V700-A40-W 10M
V700-A40-W 20M
V700-A40-W 30M

V680 Series Dimensions 55