Page top

FHV7 Series

Smart Camera

FHV7 Series

Ultimate flexibility to fit ever-changing production scene

Smart Camera model search

Select the module conditions to search the applicable models.

(Unit: mm)

Smart Cameras

C Mount Models

FHV7X-[][][][][]-C

FHV7 Series Dimensions 2

All-in-one Models with Lens Module

High-speed Lens Modules
FHV7X-[][][][][]-H06

FHV7 Series Dimensions 3

FHV7X-[][][][][]-H19

FHV7 Series Dimensions 4

Standard Lens Modules
FHV7X-[][][][][]-S[][]

FHV7 Series Dimensions 5

All-in-one Models with Lens and Lighting Modules

FHV7X-[][][][][]-H[][]-[][]/
FHV7X-[][][][][]-S[][]-[][]

FHV7 Series Dimensions 6

Lens Modules

High-speed Lens Modules

FHV-LEM-H06

FHV7 Series Dimensions 8

FHV-LEM-H19

FHV7 Series Dimensions 9

Standard Lens Modules

FHV-LEM-S[][]

FHV7 Series Dimensions 10

Lighting Modules

FHV-LTM-[][]

FHV7 Series Dimensions 12

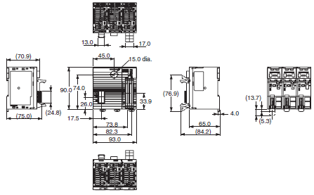
Smart Camera Data Unit

FHV-SDU10

FHV7 Series Dimensions 13

FHV-SDU30

FHV7 Series Dimensions 14

Smart Camera Data Unit Cables

Bending Resistance Cables (Straight)

FHV-VUB2 []M

FHV7 Series Dimensions 16

Bending Resistance Cables (Right angle)

FHV-VULB2 []M

FHV7 Series Dimensions 17

* Cable is available in 2m/3m/5m/10m/20m.

Super Bending Resistance Cables (Straight)

FHV-VUBX2 []M

FHV7 Series Dimensions 19

Super Bending Resistance Cables (Right angle)

FHV-VULBX2 []M

FHV7 Series Dimensions 20

* Cable is available in 5m/10m.

Cables

I/O cable (Bend resistant, straight)

FHV-VDB2 []M

FHV7 Series Dimensions 23

I/O cable (Bend resistant, right angle)

FHV-VDLB2 []M

FHV7 Series Dimensions 24

* Cable is available in 2m/3m/5m/10m/20m.

I/O cable (Super bend resistant, straight)

FHV-VDBX2 []M

FHV7 Series Dimensions 26

I/O cable (Super bend resistant, right angle)

FHV-VDLBX2 []M

FHV7 Series Dimensions 27

* Cable is available in 5m/10m.

Ethernet cable (Bend resistant, straight)

FHV-VNB2 []M

FHV7 Series Dimensions 29

Ethernet cable (Bend resistant, right angle)

FHV-VNLB2 []M

FHV7 Series Dimensions 30

* Cable is available in 2m/3m/5m/10m/20m.

Ethernet cable (Super bend resistant, straight)

FHV-VNBX2 []M

FHV7 Series Dimensions 32

Ethernet cable (Super bend resistant, right angle)

FHV-VNLBX2 []M

FHV7 Series Dimensions 33

* Cable is available in 5m/10m.

External Light Junction Cables for MDMC Light

FHV-VFLX-GD

FHV7 Series Dimensions 35

Optical Filters/Light Cover

Polarization Filter, Diffusion Filter
FHV-XDF/-XPL/-XPL-IR

FHV-XCV

FHV7 Series Dimensions 36

Touch Panel Monitor

OMRON Model
NYE2A-20F11-[][]WR1[]00

FHV7 Series Dimensions 38

Advantech Model
PPC-310-OMR

FHV7 Series Dimensions 39

Waterproof Hoods

for C-mount Lens (Short)

FHV-XHD-S

FHV7 Series Dimensions 41

for C-mount Lens (Long)

FHV-XHD-L

FHV7 Series Dimensions 42

for Lens Modules

FHV-XHD-LEM

FHV7 Series Dimensions 43