Page top

ZP-L

Laser Displacement Sensor

ZP-L

Premium detection stability and optimal usability for Laser Displacement Sensors

Software Download

You can download and install Support software Wave Inspire ZP.

(Unit: mm)

Sensor Head

ZP-LS025[]
ZP-LS050[]
ZP-LS100[]

ZP-L Dimensions 2

ZP-LS300[]
ZP-LS600[]

ZP-L Dimensions 3

Amplifier unit

Master unit

ZP-L30[]0

ZP-L Dimensions 6

Slaver unit

ZP-L3500
ZP-L3510
ZP-L3550
ZP-L3560

ZP-L Dimensions 8

ZP-L3590

ZP-L Dimensions 9

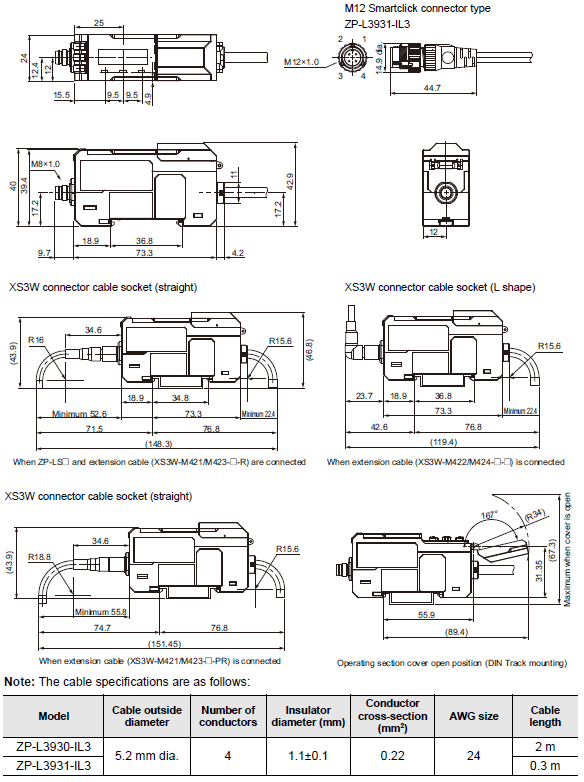
IO-Link Compatible Amplifier Unit

ZP-L39[][]-IL3

ZP-L Dimensions 11

Accessories (sold separately)

Communication Unit

ZP-EIP

ZP-L Dimensions 14

ZP-RSA

ZP-L Dimensions 15

Mounting bracket

ZP-XL1

ZP-L Dimensions 17

ZP-XL2

ZP-L Dimensions 18

ZP-XL3

ZP-L Dimensions 19

ZP-XL4

ZP-L Dimensions 20

ZP-XL5

ZP-L Dimensions 21

ZP-XL6

ZP-L Dimensions 22