Page top

E5ED-H

Digital Temperature Controller (48 x 96 mm)

E5ED-H

High resolution and high precision input are available. 0.01°C display. Equipped with functions specialized for the digital industry. Push-In Plus terminal blocks reduce wiring work.

(Unit: mm)

Controllers

E5ED-H

E5ED-H Dimensions 2

• Setup Tool ports are provided as standard feature. Use these ports to connect a computer to the Digital Temperature Controller. The E58-CIFQ2 USB-Serial Conversion Cable is required to connect to the port on the top panel. The E58-CIFQ2 USB-Serial Conversion Cable and E58-CIFQ2-E Communications Conversion Cable are required to connect to the port on the front panel. (You cannot leave either port connected constantly during operation.)

E5ED-H Dimensions 4

• Recommended panel thickness is 1 to 8 mm.
• Group mounting is not possible in the vertical direction. (Maintain the specified mounting space between Controllers.)
• To mount the Controller so that it is waterproof, insert the waterproof packing onto the Controller.
• When two or more Controllers are mounted, make sure that the surrounding temperature does not exceed the allowable operating temperature specified in the specifications.
• Use a control panel thickness of 1 to 3 mm if the Y92A-49N and a USBSerial Conversion Cable are used together.

* Selections for Control Outputs 1 and 2: QQ, QR, CQ, RR or CC
If you also specify 013, 014 or 025 for the option selection, the ambient temperature must be 45°C or less.
Maintain the following spacing when more than one Digital Controller is installed at an ambient temperature of 55°C.

E5ED-H Dimensions 5

Accessories (Order Separately)

USB-Serial Conversion Cable

E58-CIFQ2

E5ED-H Dimensions 7

Conversion Cable

E58-CIFQ2-E

E5ED-H Dimensions 8

Note: Always use this product together with the E58-CIFQ2.

Waterproof Packing

Y92S-P9 (for DIN 48 × 96)

E5ED-H Dimensions 11

The Waterproof Packing is provided with the Digital Temperature Controller.
Order the Waterproof Packing separately if it becomes lost or damaged.
The Waterproof Packing can be used to achieve an IP66 degree of protection. Also, keep the Port Cover on the front-panel Setup Tool port of the E5ED/E5ED-B securely closed.
(Deterioration, shrinking, or hardening of the waterproof packing may occur depending on the operating environment. Therefore, periodic replacement is recommended to ensure the level of waterproofing specified in IP66. The time for periodic replacement depends on the operating environment. Be sure to confirm this point at your site. Consider three years as a rough standard.)

Setup Tool Port Cover for front panel

Y92S-P7

E5ED-H Dimensions 13

Order this Port Cover separately if the Port Cover on the front-panel Setup Tool port is lost or damaged. The Waterproof Packing must be periodically replaced because it may deteriorate, shrink, or harden depending on the operating environment.

Mounting Adapter

Y92F-51 (Two Adapters provided.)

E5ED-H Dimensions 15

One pair is provided with the Controller.
Order this Adapter separately if it becomes lost or damaged.

Waterproof Cover

Y92A-49N (for DIN 48 × 96)

E5ED-H Dimensions 16

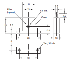
Current Transformers

E54-CT1

E5ED-H Dimensions 18

E54-CT1L

E5ED-H Dimensions 19

Thru-current (Io) vs. Output Voltage (Eo)
(Reference Values)
E54-CT1 or E54-CT1L

Maximum continuous heater current: 50 A (50/60 Hz)
Number of windings: 400±2
Winding resistance: 18±2 Ω

E5ED-H Dimensions 21

E54-CT3

E5ED-H Dimensions 22

E54-CT3 Accessories

E5ED-H Dimensions 23

E54-CT3L

E5ED-H Dimensions 24

Thru-current (Io) vs. Output Voltage (Eo)
(Reference Values)
E54-CT3 or E54-CT3L

Maximum continuous heater current: 120 A (50/60 Hz)
(Maximum continuous heater current for an OMRON Digital Temperature Controller is 50 A.)
Number of windings: 400±2
Winding resistance: 8±0.8 Ω

E5ED-H Dimensions 26