Page top

FH Series

Vision System

FH Series

New AI feature makes the toughest defect inspection effortless for everyone

(Unit: mm)

Sensor Controllers

High-speed, Large-capacity Controllers/Standard Controllers
FH-5552/-5552-10/-5552-20/-5551/-5551-10/-5551-20
FH-5052/-5052-10/-5052-20/-5051/-5051-10/-5051-20
FH-2052/-2052-10/-2052-20/-2051/-2051-10/-2051-20

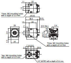
FH Series Dimensions 2

Lite Controllers
FH-L551/-L551-10

FH Series Dimensions 3

Cameras

High-speed Digital CMOS Camera/Digital CMOS Camera

300,000-pixel camera
FH-SM

FH Series Dimensions 6

400,000-pixel camera
FH-SCX
FH-SMX

1.6 million-pixel camera
FH-SCX01
FH-SMX01

FH Series Dimensions 7

2 million-pixel camera
FH-SC02
FH-SM02
4 million-pixel camera
FH-SC04
FH-SM04

FH Series Dimensions 8

5 million-pixel camera
FH-SM05R
FH-SC05R

FH Series Dimensions 9

FZ-S5M3
FZ-SC5M3

FH Series Dimensions 10

3.2 million-pixel camera
FH-SCX03
FH-SMX03
5 million-pixel camera
FH-SCX05
FH-SMX05
12 million-pixel camera
FH-SCX12
FH-SMX12
20.4 million-pixel camera
FH-SC21R
FH-SM21R

FH Series Dimensions 11

12 million-pixel camera
FH-SC12
FH-SM12

FH Series Dimensions 12

Digital CCD/CMOS Cameras

300,000-pixel camera
FZ-S
FZ-SC

FH Series Dimensions 14

2 million-pixel camera
FZ-S2M
FZ-SC2M

FH Series Dimensions 15

Shortwave Infrared (SWIR) Camera

330,000-pixel camera
FH-SMX-SWIR

1.31 million-pixel camera
FH-SMX01-SWIR

FH Series Dimensions 17

Small digital CCD cameras

Camera head

Flat camera
FZ-SF
FZ-SFC

FH Series Dimensions 19

Pen-shaped camera
FZ-SP
FZ-SPC

FH Series Dimensions 20

Camera amplifier

Can be used for both flat cameras and pen-shaped cameras

FH Series Dimensions 21

Intelligent Compact Digital CMOS Cameras

Narrow view/Standard
FZ-SQ010F
FZ-SQ050F

FH Series Dimensions 23

Wide View
FZ-SQ100F (long-distance)
FZ-SQ100N (short-distance)

FH Series Dimensions 24

Cables

Camera Cable

Camera Cable
FZ-VS3

FH Series Dimensions 27

Bend resistant Camera Cable
FZ-VSB3

FH Series Dimensions 28

Super Bend resistant Camera Cable
FZ-VSBX

FH Series Dimensions 29

Right-angle Camera Cable
FZ-VSL3

FH Series Dimensions 30

Bend resistant Right-angle Camera Cable
FZ-VSLB3

FH Series Dimensions 31

Long-distance Camera Cable
FZ-VS4

FH Series Dimensions 32

Long-distance Right-angle Camera Cable
FZ-VSL4

FH Series Dimensions 33

*1. Cable is available in 2 m/3 m/5 m/10 m.
*2. Each camera cables has polarity.
       Please ensure that the name plate side of the cable is connected to the controller.
*3. Cable is available in 5m/10m.
*4. Cable is available in 15m.

Camera Cable Extension Unit

FZ-VSJ

FH Series Dimensions 36

Extension Tubes for Small Camera

FZ-LESR

FH Series Dimensions 38

Lens for Small Camera

FZ-LES Series

FH Series Dimensions 40

Encoder Cable

FH-VR

FH Series Dimensions 42

Parallel I/O Cable

XW2Z-S013-[]

FH Series Dimensions 44

Touch Panel Monitor

FH-MT12

FH Series Dimensions 46

DVI-Analog Conversion Cable for Touch Panel Monitor/LCD Monitor

FH-VMDA

FH Series Dimensions 48

RS-232C Cable for Touch Panel Monitor

XW2Z-[][][]PP-1

FH Series Dimensions 50

USB Cable for Touch Panel Monitor

FH-VUAB

FH Series Dimensions 52

*1. Cable is available in 2 m/5 m/10 m.
*2. Cable is available in 2 m/5 m.

LCD Monitor

FZ-M08

FH Series Dimensions 55