Page top

XS5

Round Water-resistant Connectors (M12 Smartclick)

XS5

Round Water-resistive Smartclick Connectors That Reduce Installation Work

(Unit: mm)

XS5W Connectors with Cables, Socket and Plug on Both Cable Ends

Straight (Socket)/Straight (Plug)

Fire-retardant, PVC Robot Cable
XS5W-D421-[]81-F
Fire-retardant, thin PVC Robot Cable
XS5W-D425-[]81-S
Oil-resistant Polyurethane Cable
XS5W-D421-[]81-P
Spatter-resistant Cable
XS5W-D421-[]81-SA

XS5 Dimensions 2

Right-angle (Socket)/Right-angle (Plug)

Fire-retardant, PVC Robot Cable
XS5W-D422-[]81-F

XS5 Dimensions 3

Straight (Socket)/Right-angle (Plug)

Fire-retardant, PVC Robot Cable
XS5W-D423-[]81-F

XS5 Dimensions 4

Right-angle (Socket)/Straight (Plug)

Fire-retardant, PVC Robot Cable
XS5W-D424-[]81-F

XS5 Dimensions 5

Note: Oil-resistant polyurethane cables (XS5W-D42[]-[]81-P) and spatter-resistant cables (XS5W-D421-[]81-SA) have
         black covers.
         Fire-retardant, PVC robot cables (XS5W-D42[]-[]81-F), fire-retardant, thin PVC robot cables (XS5W-D425-[]81-S),
         oil-resistant (polyurethane) robot cables (XS5W-D42B-[]81-PR) have warm gray covers.

XS5F Connectors with Cables, Socket on One Cable End

Straight

Fire-retardant, PVC Robot Cable
XS5F-D421-[]80-F
Fire-retardant, thin PVC Robot Cable
XS5F-D423-[]80-S
Oil-resistant Polyurethane Robot Cable
XS5F-D42B-[]80-PR
Oil-resistant Polyurethane Cable
XS5F-D421-[]80-P
Spatter-resistant Cable
XS5F-D421-[]80-SA

XS5 Dimensions 8

Right-angle

Fire-retardant, PVC Robot Cable
XS5F-D422-[]80-F
Oil-resistant Polyurethane Cable
XS5F-D422-[]80-P
Oil-resistant Polyurethane Robot Cable
XS5F-D42C-[]80-PR

XS5 Dimensions 9

Note: Oil-resistant Polyurethane Cable(XS5F-D42[]-[]80-P), Spatter-resistant cables (XS5F-D421-[]80-SA) have black
         covers.
         Fire-retardant, PVC robot cables (XS5F-D42[]-[]80-F), fire-retardant, thin PVC robot cables (XS5F-D423-[]80-S),
         oil-resistant (polyurethane) robot cables (XS5F-D42[]-[]80-PR) have warm gray covers.

XS5H Connectors with Cables, Plug on One Cable End

Straight

Fire-retardant, PVC Robot Cable
XS5H-D421-[]80-F
Fire-retardant, thin PVC Robot Cable
XS5H-D423-[]80-S
Oil-resistant Polyurethane Cable
XS5H-D421-[]80-P
Spatter-resistant Cable
XS5H-D421-[]80-SA

XS5 Dimensions 12

Right-angle

Fire-retardant, PVC Robot Cable
XS5H-D422-[]80-F
Oil-resistant Polyurethane Cable
XS5H-D422-[]80-P

XS5 Dimensions 13

Note: Oil-resistant polyurethane cables (XS5H-D42[]-[]80-P) and spatter-resistant cables (XS5H-D421-[]80-SA) have black
         covers.
         Fire-retardant, PVC robot cables (XS5H-D42[]-[]80-F) have warm gray covers.

XS5[] Eight-pole Connectors with Cables

Socket on one cable end

XS5F-D821-[]H0-R

XS5 Dimensions 16

Front-locking, Panel-mounting Plug

XS5M-D827-4

XS5 Dimensions 17

XS5G Assembly Connector Plugs

Straight Connectors

XS5G-D418 (IDC Model)

XS5 Dimensions 19

XS5G-D4C[] (Crimping Model)
XS5G-D42[] (Soldering Model)

XS5 Dimensions 20

XS5G-D[]S[] (Screw-on Connectors, Suitable Cable Dia.: 7 or 8 mm)

XS5 Dimensions 21

XS5G-D[]S[] (Screw-on Connectors, Suitable Cable Dia.: 3, 4, or 6 mm)

XS5 Dimensions 22

Right-angle Connectors

XS5G-D42[] (Soldering Model)

XS5 Dimensions 23

XS5G-D[]S[] (Screw-on Connectors)

XS5 Dimensions 24

Crimping Pin for XS5G

XS5U-312[]

XS5 Dimensions 25

* A special tool must be used for crimping. For details, refer to Data Sheet.

XS5C Assembly Connector Sockets

Straight Connectors

XS5C-D418 (IDC Model)

XS5 Dimensions 28

XS5C-D4C[] (Crimping Model)
XS5C-D42[] (Soldering Model)

XS5 Dimensions 29

XS5C-D[]S[] (Screw-on Connectors, Suitable Cable Dia.: 7 or 8 mm)

XS5 Dimensions 30

XS5C-D[]S[] (Screw-on Connectors, Suitable Cable Dia.: 3, 4, or 6 mm)

XS5 Dimensions 31

Right-angle Connectors

XS5C-D4C[] (Crimping Model)
XS5C-D42[] (Soldering Model)

XS5 Dimensions 32

XS5C-D[]S[] (Screw-on Connectors)

XS5 Dimensions 33

Crimping Pin for XS5C

XS5U-222[]

XS5 Dimensions 34

* A special tool must be used for crimping. For details, refer to Data Sheet.

XS5R Y-Joint Plug/Socket Connectors

Connectors on Both Cable Ends (Y-Joint Plug/Socket)

XS5R-D426-[]11-F

XS5 Dimensions 37

Connectors on One Cable End (Y-Joint Socket)

XS5R-D426-[]10-F

XS5 Dimensions 38

Connectors on Both Cable Ends (Y-Joint Plug/Socket)

XS5R-D426-[]

XS5 Dimensions 39

XS5P Panel-mounting Sockets

With wire

Rear lock

XS5P-D426-5

XS5 Dimensions 42

Front lock

XS5P-D427-5

XS5 Dimensions 43

Solder cup pins

Rear lock

XS5P-D426-4

XS5 Dimensions 45

XS5P-D526-4

XS5 Dimensions 46

Front lock

XS5P-D427-4

XS5 Dimensions 47

XS5P-D527-4

XS5 Dimensions 48

XS5M Panel-mounting Plugs

With wire

Rear lock

XS5M-D426-5

XS5 Dimensions 51

Front lock

XS5M-D427-5

XS5 Dimensions 52

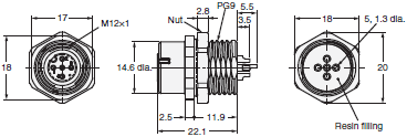
Solder cup pins

Rear lock

XS5M-D426-4

XS5 Dimensions 54

XS5M-D526-4

XS5 Dimensions 55

Front lock

XS5M-D427-4

XS5 Dimensions 56

XS5M-D527-4

XS5 Dimensions 57