Page top

S8FS-C

Switch Mode Power Supply (15/25/35/50/75/100/150/200/350-W Models)

S8FS-C

High Reliability at a Reasonable Cost. Reliable, Basic Power Supplies That Contribute to Stable Equipment Operation.

(Unit: mm)

Power Supplies

Models with Terminal Block Facing Upward

S8FS-C025[][] (25 W)

S8FS-C Dimensions 3

S8FS-C035[][] (35 W)

S8FS-C Dimensions 4

S8FS-C050[][] (50 W)

S8FS-C Dimensions 5

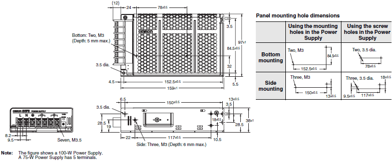
S8FS-C075[][] (75 W)
S8FS-C100[][] (100 W)

S8FS-C Dimensions 6

Note: The figure shows a 100-W Power Supply.
          A 75-W Power Supply has 5 terminals.

S8FS-C150[][] (150 W)

S8FS-C Dimensions 7

S8FS-C200[][] (200 W)

S8FS-C Dimensions 8

S8FS-C350[][] (350 W)

S8FS-C Dimensions 9

Models with Terminal Block Facing Forward

S8FS-C015[][]J (15 W)

S8FS-C Dimensions 11

S8FS-C025[][]J (25 W)

S8FS-C Dimensions 12

S8FS-C035[][]J (35 W)

S8FS-C Dimensions 13

S8FS-C050[][]J (50 W)

S8FS-C Dimensions 14

S8FS-C075[][]J (75 W)
S8FS-C100[][]J (100 W)

S8FS-C Dimensions 15

S8FS-C150[][]J (150 W)

S8FS-C Dimensions 16

S8FS-C200[][]J (200 W)

S8FS-C Dimensions 17

S8FS-C350[][]J (350 W)

S8FS-C Dimensions 18

Models with DIN rail

S8FS-C015[][]D (15 W)

S8FS-C Dimensions 20

S8FS-C025[][]D (25 W)

S8FS-C Dimensions 21

S8FS-C035[][]D (35 W)

S8FS-C Dimensions 22

S8FS-C050[][]D (50 W)

S8FS-C Dimensions 23

S8FS-C075[][]D (75 W)
S8FS-C100[][]D (100 W)

S8FS-C Dimensions 24

S8FS-C150[][]D (150 W)

S8FS-C Dimensions 25

S8FS-C200[][]D (200 W)

S8FS-C Dimensions 26

S8FS-C350[][]D (350 W)

S8FS-C Dimensions 27

Mounting Brackets

S82Y-FSC015DIN

S8FS-C Dimensions 29

S82Y-FSC025DIN

S8FS-C Dimensions 30

S82Y-FSC050DIN

S8FS-C Dimensions 31

S82Y-FSC150DIN

S8FS-C Dimensions 32

S82Y-FSC350DIN

S8FS-C Dimensions 33

S82Y-FSC015DIN-S

S8FS-C Dimensions 34

S82Y-FSC025DIN-S

S8FS-C Dimensions 35

S82Y-FSC035DIN-S

S8FS-C Dimensions 36

S82Y-FSC050DIN-S

S8FS-C Dimensions 37

S82Y-FSC100DIN-S

S8FS-C Dimensions 38

S82Y-FSC150DIN-S

S8FS-C Dimensions 39

S82Y-FSC350B (Four Brackets)

S8FS-C Dimensions 40

For Users of S8JC DIN Rail-mounting Power Supplies

If you are using a DIN Rail-mounting S8JC-series Power Supply, you can use a DIN Rail-mounting S8FS-C-series Power Supply or replace it with an S8FS-C-series Power Supply with a Forward-facing Terminal Block and a DIN Rail Mounting Bracket.

Table of Corresponding S8JC Power Supplies and S8FS-C[]J Power Supplies with DIN Rail Mounting Brackets

S8FS-C Dimensions 42

DIN Rail

Mounting Rail (Material: Aluminum)

PFP-100N
PFP-50N

S8FS-C Dimensions 45

PFP-100N2

S8FS-C Dimensions 46

End Plate

PFP-M

S8FS-C Dimensions 48